EasyManua.ls Logo

IFM Electronic Efector 300 SI1007 - Montage

IFM Electronic Efector 300 SI1007
Print Icon
To Next Page IconTo Next Page
To Next Page IconTo Next Page
To Previous Page IconTo Previous Page
To Previous Page IconTo Previous Page
Loading...
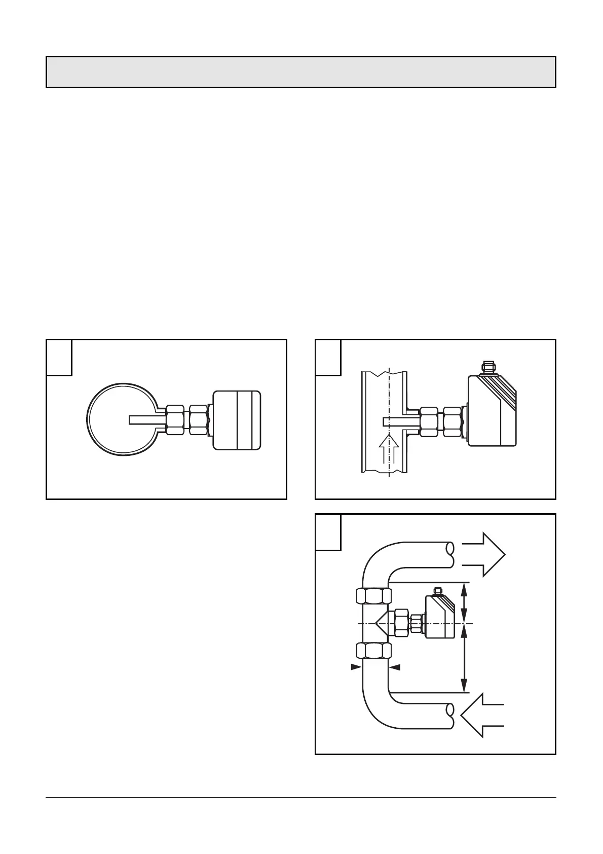
Das Gerät ist adaptierbar an unterschiedliche Prozeßanschlüsse.
(Adapter sind gesondert als Zubehör zu bestellen).
ACHTUNG: Flowadapter zur Erfassung kleiner Durchflußmengen dür-
fen nicht verwendet werden.
Montieren Sie das Gerät bei waagerecht verlaufenden Rohren
möglichst seitlich (Abb 1).
Bei Montage von unten sollte die Rohrleitung frei von
Ablagerungen sein.
Bei Montage von oben sollte die Rohrleitung vollständig mit dem zu
überwachenden Medium gefüllt sein.
Montieren Sie das Gerät bei senkrecht verlaufenden Rohren in der
Steigleitung (Medium strömt aufwärts, Abb. 2).
Um Fehlfunktionen zu vermei-
den, müssen Mindestabstände
zwischen Sensor und
Krümmungen, Ventilen,
Reduzierungen u. ä. eingehalten
werden.
Mindestens 5 mal Rohrdurch-
messer an der Anströmseite
(A).
Mindestens 3 mal Rohrdurch-
messer an der Abströmseite
(B).
Die Abbildungen oben zeigen die Vorzugs-Einbaurichtung.
6
D
A
B
min.
5 x D
min.
3 x D
1 2
3
Montage

Related product manuals