EasyManua.ls Logo

IFM Electronic Efector 300 SI1007 - Installation

IFM Electronic Efector 300 SI1007
Print Icon
To Next Page IconTo Next Page
To Next Page IconTo Next Page
To Previous Page IconTo Previous Page
To Previous Page IconTo Previous Page
Loading...
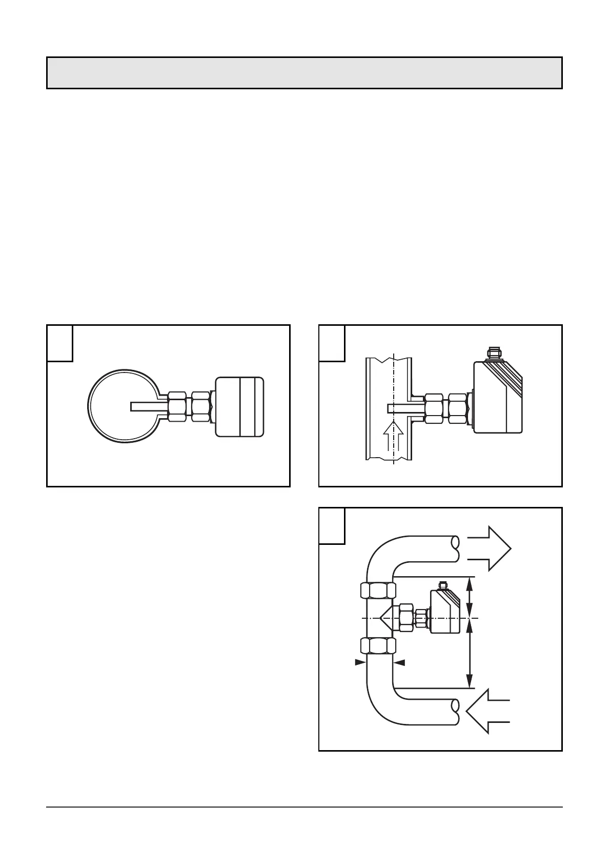
The unit is adaptable for various process fittings (adapters to be
ordered separately as accessories).
NOTE: Do not use the unit with flow adapters for low flow rate.
In the case of horizontal pipes mount the unit from the side, if pos-
sible (fig. 1).
When the unit is to be mounted at the bottom of the pipe, it should
be free from deposits.
When the unit is to be mounted at the top of the pipe, it should be
completely filled with the medium to be monitored.
In the case of vertical pipes mount the unit in a place where the
medium flows upwards (fig. 2).
To avoid malfunction a minimum
distance between the flow mon-
itor and bends, valves, changes
in cross-section or such like must
be observed:
Min. 5 x pipe diameter
upstream (A),
min. 3 x pipe diameter down-
stream (B).
The illustrations show the recommended mounting positions.
24
D
A
B
min.
5 x D
min.
3 x D
1 2
3
Installation