EasyManua.ls Logo

ILMOR MV-10 - Maintenance - Ignition System; Ignition System Resistance Specifications

ILMOR MV-10
52 pages
Print Icon
To Next Page IconTo Next Page
To Next Page IconTo Next Page
To Previous Page IconTo Previous Page
To Previous Page IconTo Previous Page
Loading...
Owner’s Manual &
Installation Instructions
Revision 6e
Page 46
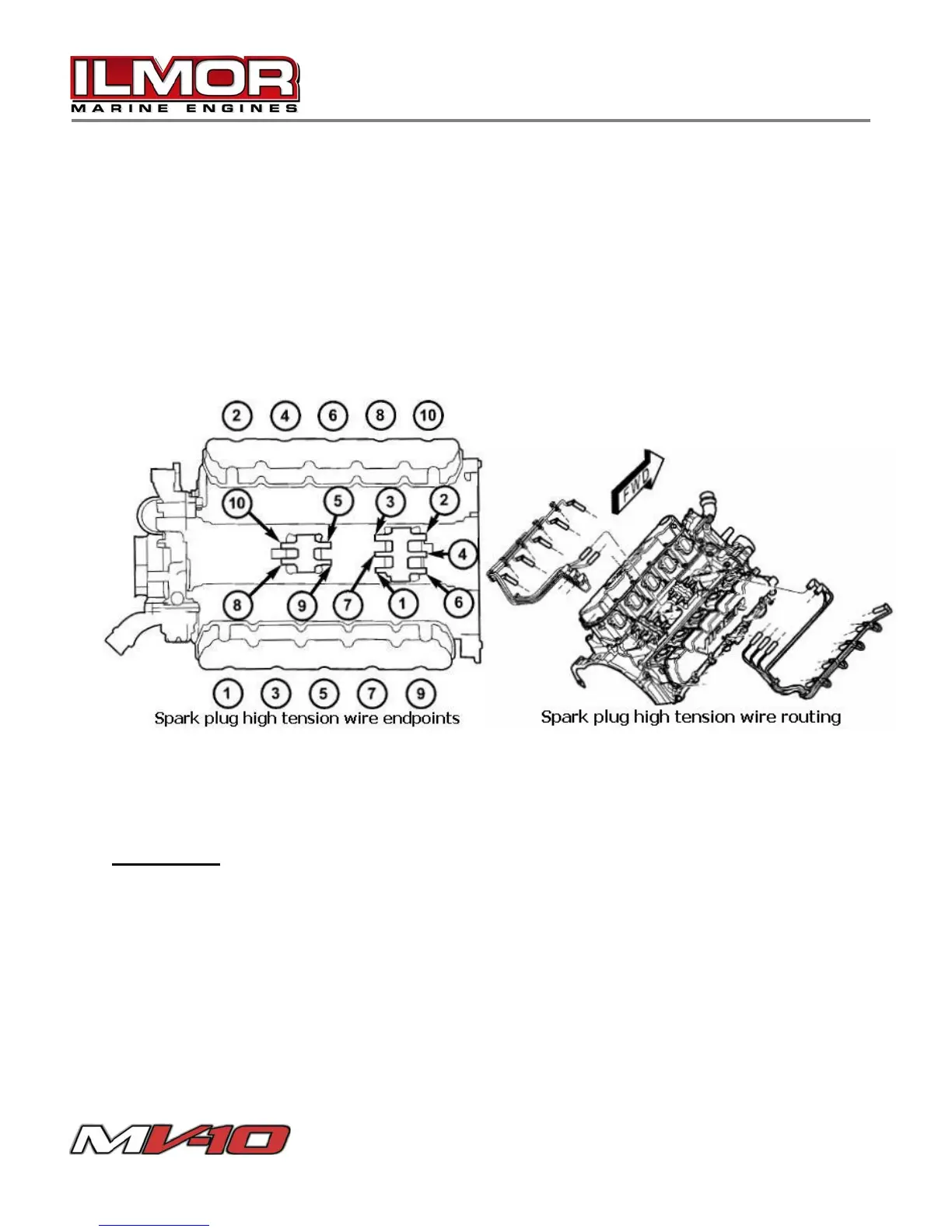
Maintenance – Ignition System
Spark Plug High Tension Cables Resistance
Minimum Maximum
250 Ohms Per Inch 750 Ohms Per Inch
3000 Ohms Per Foot 9,000 Ohms Per Foot
Ignition Coil Resistance
Primary Resistance at 21°C-27°C (70°F-80°F) 0.53 to 0.65 Ohms
Secondary Resistance at 21°C-27°C (70°F-80°F) 10,900 to 14,700 Ohms
Firing Order: 1-10-9-4-3-6-5-8-7-2
Spark Plugs
See “
Engine Specifications” for the proper spark plugs and gap for your engine.

Related product manuals