EasyManua.ls Logo

Immarsat FB500 - Oiu

Default Icon
82 pages
Print Icon
To Next Page IconTo Next Page
To Next Page IconTo Next Page
To Previous Page IconTo Previous Page
To Previous Page IconTo Previous Page
Loading...
2-8
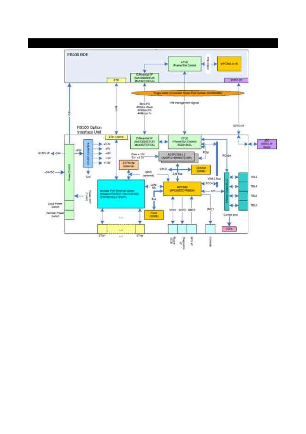
2.4 OIU
Fig.2.4 OIU
OIU (Option Interface Unit) is the junction box for connecting external options and BDE.
OIU consists of OIB (Option Interface Board) and TB (Terminal Board).
And OIU has below external connectors and terminals.
4 Ethernet ports
4 (2-wire) analogue telephone/FAX terminals
Maximum 4 external buzzers, and maximum 2 external button connecting terminals
External GPS input terminal
NMEA output terminal (for VDR)
+24VDC power input terminal
With BDE, below signals(cables) are connected.
+24VDC power supply
Signal control cable
Ethernet cable

Table of Contents