EasyManua.ls Logo

Immergas MINI EOLO 24 3E - Boiler Commissioning; Initial Commissioning Checks

Immergas MINI EOLO 24 3E
36 pages
Print Icon
To Next Page IconTo Next Page
To Next Page IconTo Next Page
To Previous Page IconTo Previous Page
To Previous Page IconTo Previous Page
Loading...
22
3-1
INSTALLERUSER
MAINTENANCE TECHNICIAN
3
COMMISSIONING
THE BOILER
INITIAL CHECK
To commission the boiler:
- ensure that the type of gas used corresponds to
boiler settings;
- check connection to a 230V-50Hz power
mains, correct L-N polarity and the earthing
connection;
- make sure the heating system is lled with
water and that the manometer indicates a
pressure of 1÷1.2 bar;
- make sure the air valve cap is open and that the
system is well deaerated;
- switch the boiler on and ensure correct ignition;
- make sure the gas maximum, medium and
minimum flow rate and pressure values
correspond to those given in the handbook
(Paragraph 3.18 / 3.21);
- check activation of the safety device in the event
of no gas, as well as the relative activation time;
- check activation of the main switch located
upstream from the boiler;
- check that the intake and/or exhaust terminals
are not blocked;
- check activation of the “no air” safety pressure
switch;
- ensure activation of all adjustment devices;
- seal the gas ow rate regulation devices (if
settings are modied);
- ensure production of domestic hot water;
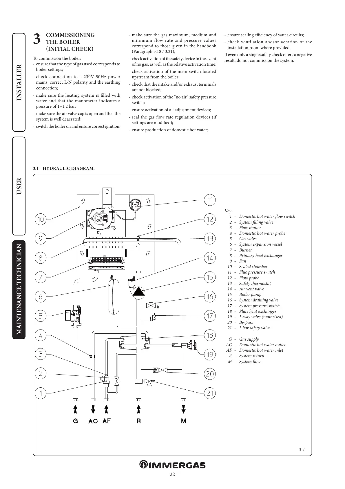
3.1 HYDRAULIC DIAGRAM.
- ensure sealing eciency of water circuits;
- check ventilation and/or aeration of the
installation room where provided.
If even only a single safety check oers a negative
result, do not commission the system.
Key:
1 - Domestic hot water ow switch
2 - System lling valve
3 - Flow limiter
4 - Domestic hot water probe
5 - Gas valve
6 - System expansion vessel
7 - Burner
8 - Primary heat exchanger
9 - Fan
10 - Sealed chamber
11 - Flue pressure switch
12 - Flow probe
13 - Safety thermostat
14 - Air vent valve
15 - Boiler pump
16 - System draining valve
17 - System pressure switch
18 - Plate heat exchanger
19 - 3-way valve (motorised)
20 - By-pass
21 - 3 bar safety valve
G - Gas supply
AC - Domestic hot water outlet
AF - Domestic hot water inlet
R - System return
M - System ow

Table of Contents

Related product manuals