EasyManua.ls Logo

Immergas ZEUS Maior - Central Heating Operation; Room Thermostat Integration; Remote Control Usage

Immergas ZEUS Maior
30 pages
Print Icon
To Next Page IconTo Next Page
To Next Page IconTo Next Page
To Previous Page IconTo Previous Page
To Previous Page IconTo Previous Page
Loading...
17
STZM@ ed 05/04 ZEUS Maior @
Technical Documentation
Technical Documentation
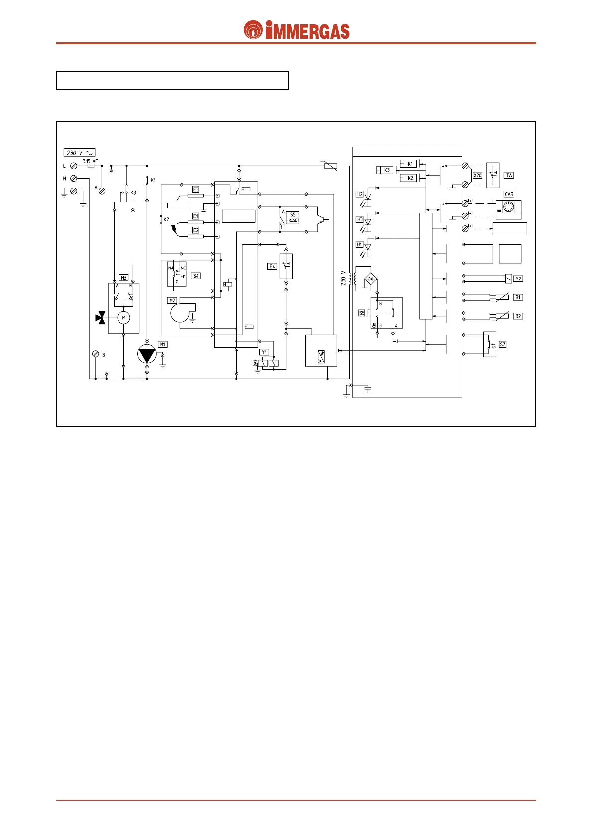
Electrical circuit.
Central heating phase.
Working with the room thermostat.
When the main switch (S5) is in the “WINTER” position it
powers the modulation board and enables operation in the
central heating mode.
When the contact of the room thermostat (TA) closes the low
voltage circuit starts the boiler circulator (M1) working when
the K1 relay contact closes.
In the meantime, the adjustment circuit causes the relay K3
contact to deviate, that powers motor (M) of the 3-way valve
(M3), and keeps working until limit switch “N” opens when
the central heating position is reached.
If the system pressure switch (S7) measures a pressure in the
primary circuit that is higher than the minimum value (con-
tact S7 closed) and if the temperature measured by the NTC
delivery probe (B1) is below that set on the control panel with
the central heating potentiometer, the board sees to closing the
contact of the request relay K2.
is causes the control unit (IGN.BOARD) to start the igni-
tion cycle, that first checks the correct position of the flue
pressure switch (S4) (“NC” position) and then it powers the
fan (M2).
After the flue pressure switch contact (S4) has switched (“NO
position) caused by the fan working (M2), the control unit
(IGN.BOARD) first powers the ignition electrodes (E1-E2)
followed by, with the safety thermostat (E4) enable, both gas
valve coils (Y1).
Burner ignition is detected by the control unit (IGN. BOARD)
by means of the detection electrode (E3).
Using the Remote Control.
When the main switch (S5) is in the “SUMMER” or “CAR”
position it powers the modulation board and the Remote
Control (CAR).
If the conditions detected by the Remote Control (CAR)
require ignition in the central heating mode (the CAR SUM-
MER/WINTER selector on WINTER, heating temperature set-
ting higher that what is read by the delivery probe (B1), hourly
programmer request, room temperature setting higher than what
is read), the board powers the boiler circulator (M1) by means
of the K1 relay contact and burner ignition occurs as described
above.
Note: In both cases, every time the unit switches off because the
temperature is reached, the modulation board stops the burner
working in the central heating mode for 180 seconds which can
be reduced to 30 seconds via the jumper S2 (see modulation board
operation).

















Related product manuals