EasyManua.ls Logo

Intel Itanium 2 Processor - Logical Schematic of Smbus Circuitry

Intel Itanium 2 Processor
108 pages
Print Icon
To Next Page IconTo Next Page
To Next Page IconTo Next Page
To Previous Page IconTo Previous Page
To Previous Page IconTo Previous Page
Loading...
80 Datasheet
System Management Feature Specifications
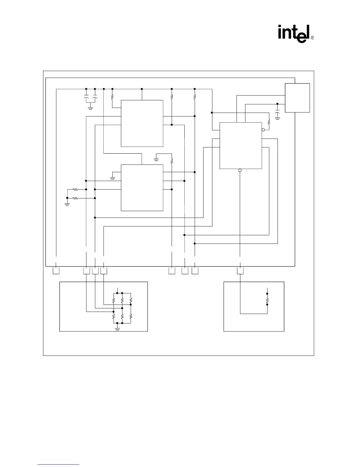
Figure 6-1. Logical Schematic of SMBus Circuitry
NOTE:
1. Actual implementation may vary.
2. For use in general understanding of the architecture.
000668b
Processor
Information
ROM
A0
A1
A2
SC
SD
V
CC
10K 10K
3.3V
Scratch
EEPROM
A0
A1
A2
SD
WP
V
CC
SC
10K
10K
10K
Thermal
Sensing
Device
VCC
A0
A1
SC
SD
STBY
ALERT
SMA0
SMA1
SMA23.3V
SMSD
SMSC THRMALERT#
Core
THERMDA
THERMDC
Stuffing
Options
3.3V
System Board
10K
SMWP
System Board
3.3V
10K
Intel
®
Itanium
®
2 Processor

Table of Contents

Related product manuals