EasyManua.ls Logo

Intercomp PT300 - 4 Scale Totalizer to Printer on Demand

Intercomp PT300
21 pages
Print Icon
To Next Page IconTo Next Page
To Next Page IconTo Next Page
To Previous Page IconTo Previous Page
To Previous Page IconTo Previous Page
Loading...
PT300 Users Manual
Rev E, April 1999
14
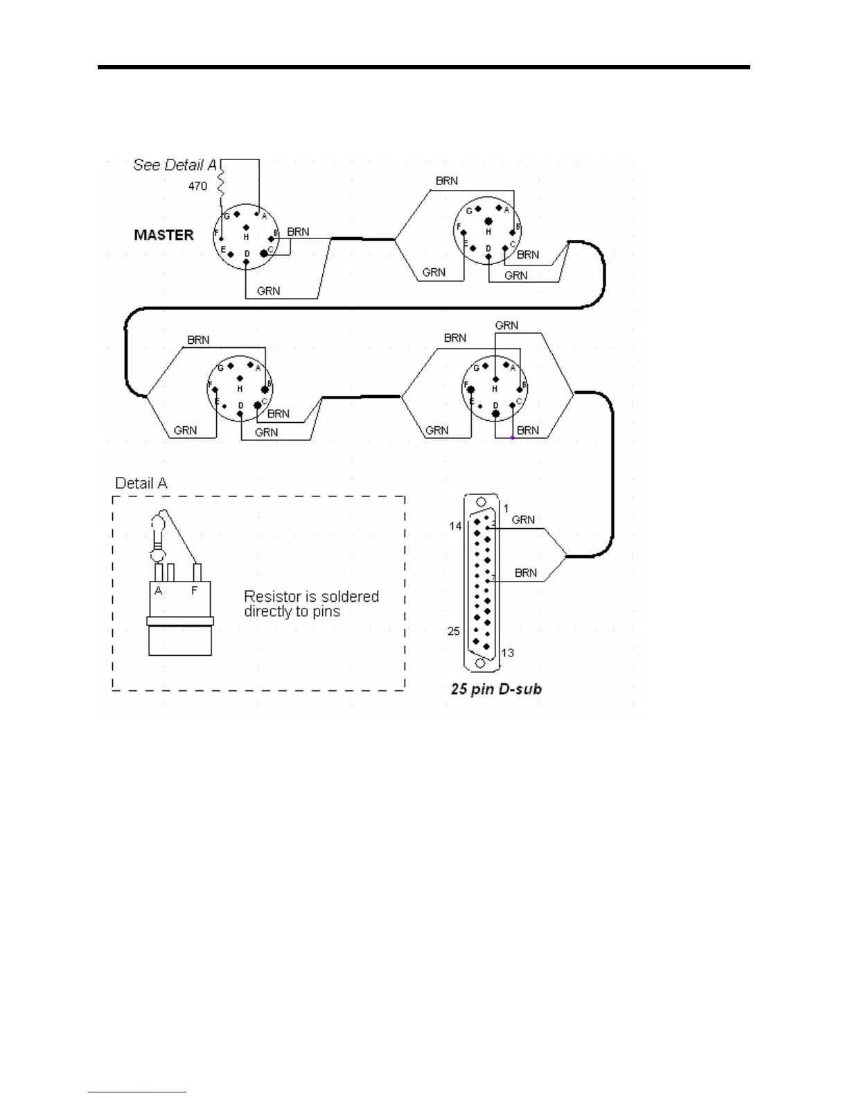
4 Scale Totalizer to Printer on Demand
4 scale totalizing cable including 25 pin D-sub connector for a printer or computer

Related product manuals