EasyManua.ls Logo

ISA MILLENIUM ST - Wiring Diagram - 412100620000

ISA MILLENIUM ST
60 pages
Print Icon
To Next Page IconTo Next Page
To Next Page IconTo Next Page
To Previous Page IconTo Previous Page
To Previous Page IconTo Previous Page
Loading...
ATTACHMENT
52
EN
428000467237 MILLENNIUM
USE AND MAINTENANCE MANUAL
10
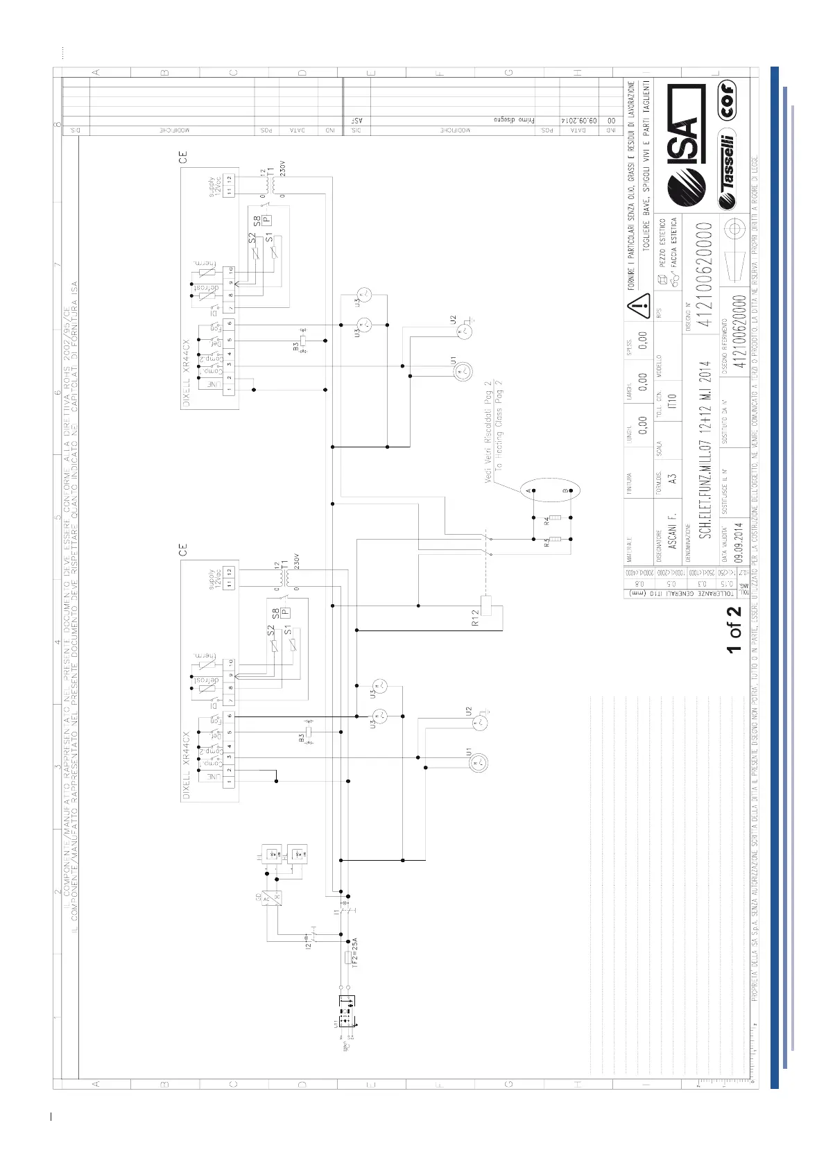
WIRING DIAGRAM - 412100620000 - 1 of 2
S1
TEMPERATURE PROBE
D12 RECTIFIER BRIDGE
S2 DEFROST PROBE D13 RECTIFIER BRIDGE
CE ELECTRONIC CONTROLLER F2 FUSE
U1 COMPRESSOR I1
SHOWCASE SWITCH
U2 CONDENSER FAN I2 LIGHT SWITCH
U3 EVAPORATOR FAN S8 PRESSURE SWITCH
R3 PERIMETER TRIM HEATER B3 4-WAY SOLENOID VALVE
R4 PLANE TRIM HEATER U11 EMC FILTER
R5 FRONT TRIM HEATER V1 FRONT HEATED GLASS
R12 RELAY HC4 V2 SIDE HEATED GLASS
T1 CONTROL UNIT TRANSFORMER D2 RECTIFIER BRIDGE
T6 TRANSFORMER GD LED POWER SUPPLY
T7 TRANSFORMER HL LED LIGHT

Related product manuals