EasyManua.ls Logo

Isuzu C240 - Rocker Arm and Shaft Reassembly Step

Isuzu C240
211 pages
Print Icon
To Next Page IconTo Next Page
To Next Page IconTo Next Page
To Previous Page IconTo Previous Page
To Previous Page IconTo Previous Page
Loading...
TCM
£sHoPp
MANUAL
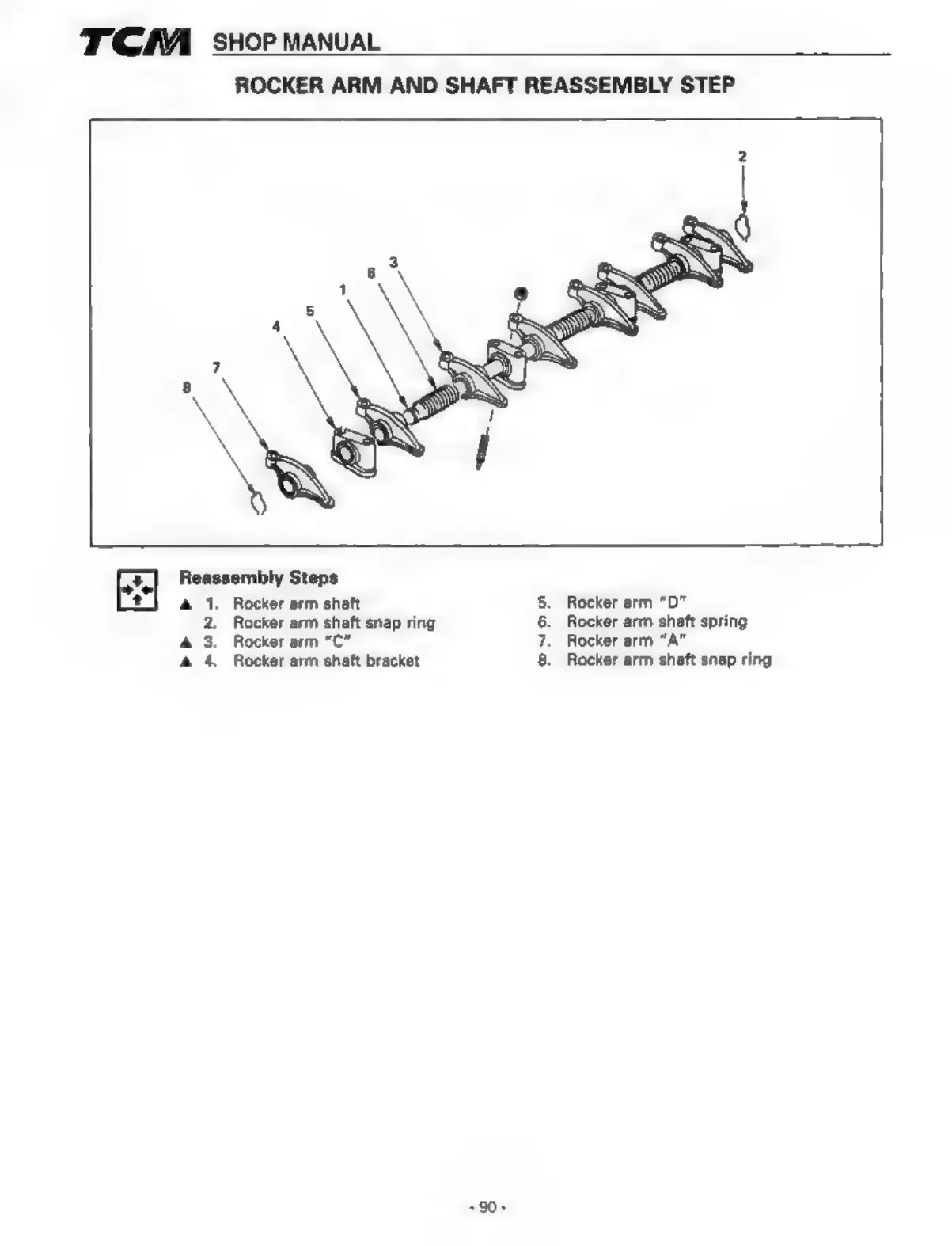
ROCKER
ARM
AND
SHAFT
REASSEMBLY
STEP
Reassembly
Steps
1.
Rocker
arm
shaft
2.
Rocker
arm
shaft
snap
ring
4
3.
Rocker
arm
“C”
a
4,
Rocker
arm
shaft
bracket
Rocker
arm
“D"
Rocker
arm
shaft
spring
Rocker
arm
“A”
Rocker
arm
shaft
snap
ring
Pa
er

Table of Contents