EasyManua.ls Logo

Iveco N67 MNA M15

Iveco N67 MNA M15
74 pages
To Next Page IconTo Next Page
To Next Page IconTo Next Page
To Previous Page IconTo Previous Page
To Previous Page IconTo Previous Page
Loading...
14
INSTALLATION DIRECTIVE
N45 MNA M10
N67 MNA M15
MAY 2006
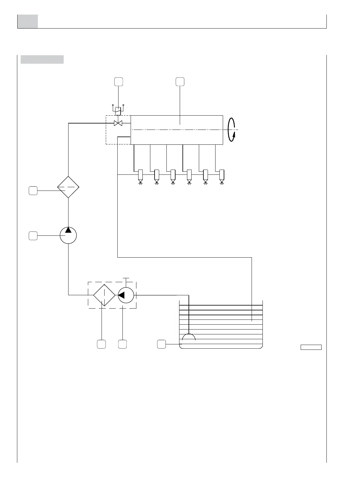
Fuel supply system scheme
Figure 7
1. Fuel filter - 2. Engine stop solenoid valve - 3. Low pressure mechanical feed pump - 4. Injection pump -
5. Injector - 6. Fuel tank - 7. Manual priming pump - 8. Pre-filter.
04_406_N
3
8
4
7
6
2
1

Related product manuals