EasyManua.ls Logo

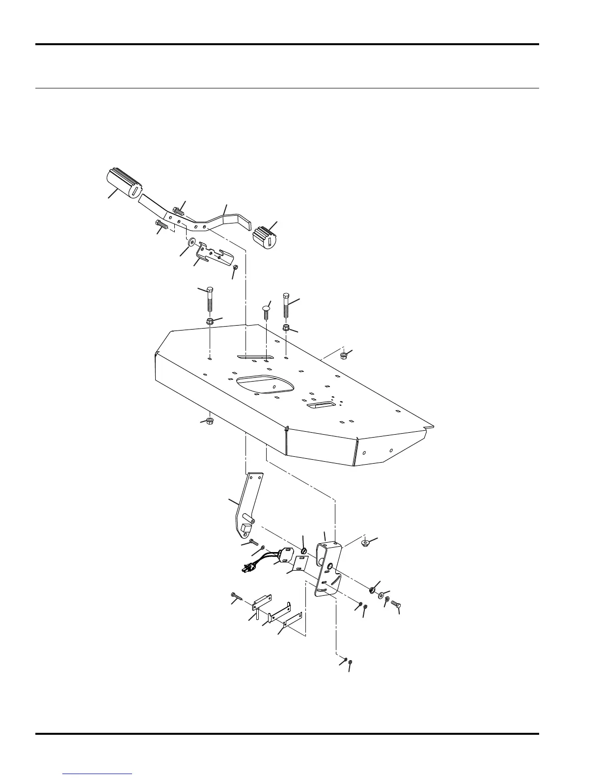
Jacobsen R-311T - Traction Pedal Linkage

Jacobsen R-311T
158 pages
Print Icon
To Next Page IconTo Next Page
To Next Page IconTo Next Page
To Previous Page IconTo Previous Page
To Previous Page IconTo Previous Page
Loading...
52
1
2
3
4
5
6
7
8
9
10
11
11
12
13
14
25
15
16
17
18
19
20
24
21
22
23
23
23
22
23
26
27
28
29
30
R-311T
11.1 Traction Pedal Linkage
Serial No. All

Table of Contents

Other manuals for Jacobsen R-311T

Related product manuals