EasyManua.ls Logo

Jayco Greyhawk 2018 - Page 77

Jayco Greyhawk 2018
169 pages
Print Icon
To Next Page IconTo Next Page
To Next Page IconTo Next Page
To Previous Page IconTo Previous Page
To Previous Page IconTo Previous Page
Loading...
67


Make sure the slideout system is turned on.
Battery is fully charged and connected.
Transit bars have been removed (if so equipped).


1. Turn the Main Power OFF. The override will not work if it has power going to it. 

2. Locate the slideout controller. There are two versions of the controller.
, unplug the 6 pin wiring harness from the controller.
, remove one of the motor leads, either the motor I or motor II lead from the
controller.
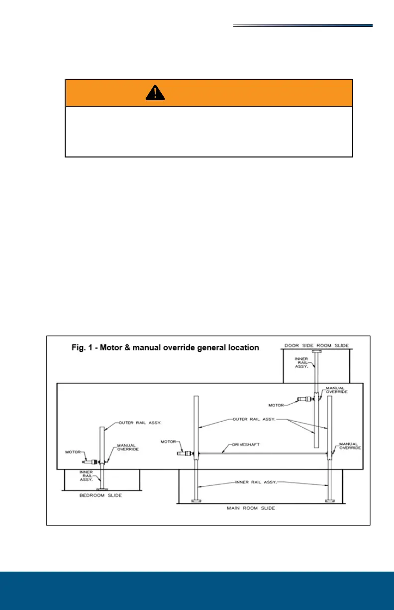
3. Locate the slideout motor (Fig. 1) mounted to one of the slideout rails. Some models
may require removal of the underbelly or cover to access the motor. In a bedroom
slideout, it may be located under the bed.
4. Rotate the brake lever, on the backside of the motor, counter-clockwise (looking from
the rear of the motor) about 1/8 of a turn to the released position (Fig. 2). This will
release the brake that holds the room in place.
5. Locate the manual override for the slideout system (Fig. 1).
When the motor brake is disengaged the slideout room WILL NOT lock into
place and will not be sealed. When the room has been manually retracted, be
sure to install transit bars (if so equipped) and return the motor brake lever to
its normal engaged position in order to seal and lock the room into position.




Table of Contents

Related product manuals