EasyManua.ls Logo

JBL Cinema 300 - Specifying and Installing Subwoofers

JBL Cinema 300
46 pages
Print Icon
To Next Page IconTo Next Page
To Next Page IconTo Next Page
To Previous Page IconTo Previous Page
To Previous Page IconTo Previous Page
Loading...
33
8. Selecting surround ampliers:
• Choose stereo ampliers with a generous 4-ohm power rating equal to twice the
individual surround loudspeaker power rating.
• For example, using high power surrounds, select a stereo amplier that can deliver 500 watts
into four ohms.
9. If you have followed all of these rules:
• Surround coverage in the back 2/3 of the house will be uniform within ±2 dB.
• Fine-tuning of drive levels may further improve uniformity
• In deep houses, be prepared to zone surrounds with delay to maintain proper front/back
perspectives.
C. Specifying and Installing Subwoofers:
1. Subwoofer assumptions:
• Use 18” diameter drivers.
• Sensitivity: no less than about 97 dB, 1 W at 1 m.
• Power rating per-driver should be no less than about 400 watts continuous.
2. How many subwoofer drivers are necessary?
• A safe rule is to specify one sub driver for each 25,000 cubic feet of house volume.
• Always round upward; if your calculations indicate 5 1/2 subs, use 6.
You can always specify more subs for greater impact.
3. Subwoofer powering:
We recommend powering each subwoofer driver with its own amplier section.
• Choose ampliers with an output rating that matches each driver at its rated impedance.
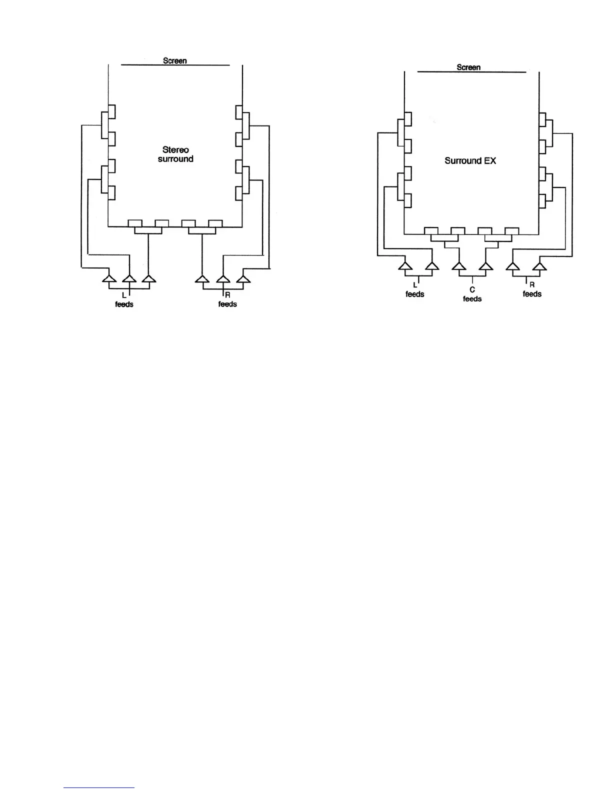
Figure 43: Surround channels, stereo wiring. Figure 44: Surround channels, Surround EX wiring.

Table of Contents

Other manuals for JBL Cinema 300

Related product manuals