EasyManua.ls Logo

JBL SG520 - Page 32

JBL SG520
34 pages
Print Icon
To Next Page IconTo Next Page
To Next Page IconTo Next Page
To Previous Page IconTo Previous Page
To Previous Page IconTo Previous Page
Loading...
=,
TAPE,
OFF
O
Phono
Input
A
RIAA
LOW
LEVEL
Phono
AMPLIFIER
Output
A
(A-Channel)
NARTB
100
SERIES
Flat
100
FRONT
OUTPUT
TO
RECORDER
—VV
CHANNEL
A,
REAR
R126
J110
.
ro)
anwe)
_—-_—
+
5209
pode
,
(9)
FRONT
OUTPUT
TO
RECORDER
(0)
CHANNEL
B,
REAR
13219
Phono
Input
B
LOW
LEVEL
AMPLIFIER
(B-Channel)
200
SERIES
1
|
!
!
|
f
|
{
{
'
I
!
|
f
1
[
|
|
|
|
\
|
|
|
|
|
|
|
|
|
\
|
I
|
Sw302
aTaO
ay
a
CHB
A+B
TEST
I
|
|
t
{
|
{
|
|
'
\
1
!
!
1
|
'
A
|
'
1
{
;
Output
|
:
\
OUT
TO
|
;
H
|
f
|
POWER
AMP
(me:
'
(S)
J111
'
\
\
\ \
LINE
AMPLIFIER
~
|
i
7
Input
(A-Channel)
OUT
TO
F22
|
Oo
ice
les
st
ey
ne
$w303
{
100
SERIE
[sna
RELA
TAPE
i
1
!
sw502
_4
J
v
!
N
MONITOR
C]
|
\
Ite
sw
|
£22
|
|
'
SA
t
3.7
\
Cl
!
SA
SA
SA
SA
;
I
;
'
\
|
!
I
R125
O
:
\
|
|
|
|
CHB
OA
al
1
LF
RUMBLE
|
;
|
1
OUTPUT
7
i
,
FILTER
| |
!
(0)
Ri25
|!
' !
!
|
!
'
121
ee
el
|
|__(
'
1
|
I
|
|
n
0
J
|
|
i
BALANCE
|
\
\
|
i
!
CJ
|
|
]
|
O
1
Q
|
1
j
|
'
|
1
|
D
ee
|
i
1
|
LOUDNESS
|
y
ee
'
\
' \
\
|
!
1
|
|
'
1!
\
|
|
\
f
|
|
|
100
TO
ON-OFF\,
|
|
|
;
i
|
\
R162
SWITCH
SW502
|
|
|
\
POWER
SUPPLY
|
|
|
1
|
i
|
|
|
\
\
j
|
'
VOLUME
!
|
|
'
\ |
STEREO
|
\
y
1
'
|
|
\
SW306
HEADPHONE
Bee
9
|
|
\
|
!
|
!
1
OUTPUT
\
|
|
\ '
;
!
Hy
SCRATCH
5301
'
;
!
|
\
|
\
|
\
FILTER
boy
| |
|
|
|
'
|
pot
'
|
|
!
|
\
'
'
|
|
!
|
\
;
:
1
\
'
I
'
!
\
|
y
1
\
!
\
'
!
I
'
:
!
|
'
'
i
\
\
!
| |
1
|
|
{
|
|
|
|
i
\
\
'
y
|
\
|
1
|
|
| ]
' 1
'
\
|
{
'
|
4
i
i
5B 3B
5B
0
!
:
|
1
t
\
1
:
i
\
\
|
!
!
|
!
\
|
!
!
L]
|
|
\
|
LINE
AMPLIFIER
7
1
|
i
Input
(B-Channel)
Gf
ae
ae
Ee
a
0
1
i
1
fie
ys
1
1
'
t
1
t
nae
\
\
ails
'
1
F301
1
AMP
FAST
BLO¥
=21V
Reg.
POWER
se
SUPPLY
=
PL501-04
Oscltioe
SOE.
a
:
7
LAMPS
FOR
ASSEMBLY
500
SERIES
|
SELECTOR
AND
400
SERIES
MODE
SWITCH
:
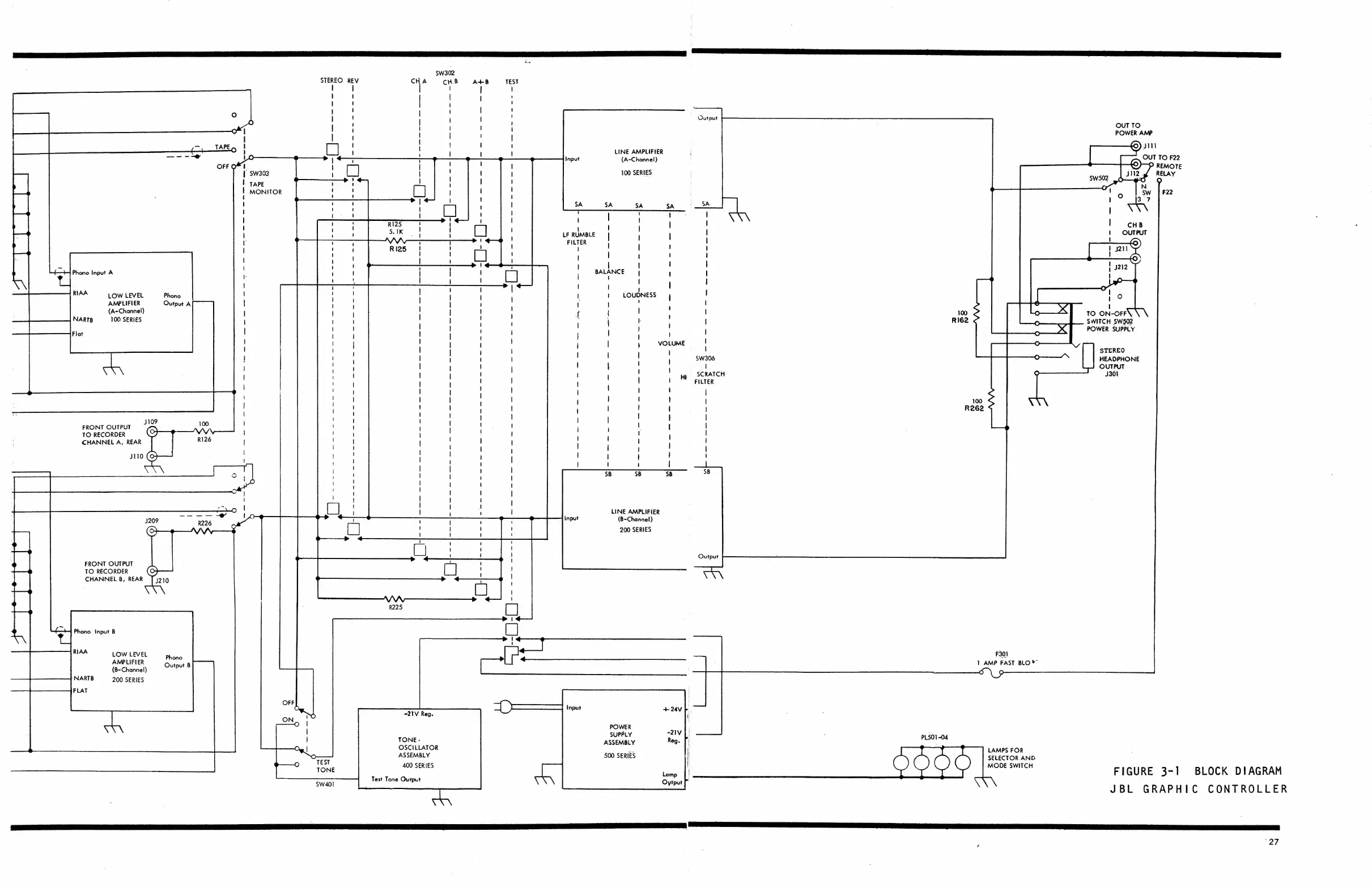
FIGURE
3-1
BLOCK
DIAGRAM
Test
Tone
Ourput
JBL
GRAPHIC
CONTROLLER
“27

Related product manuals