EasyManua.ls Logo

jcb JS210 - Control of Engine Speed for Breaker Operation

jcb JS210
531 pages
Print Icon
To Next Page IconTo Next Page
To Next Page IconTo Next Page
To Previous Page IconTo Previous Page
To Previous Page IconTo Previous Page
Loading...
4 - 12
Section C
Electrics
9803/6400
Section C
4 - 12
Issue 2*
Engine Control
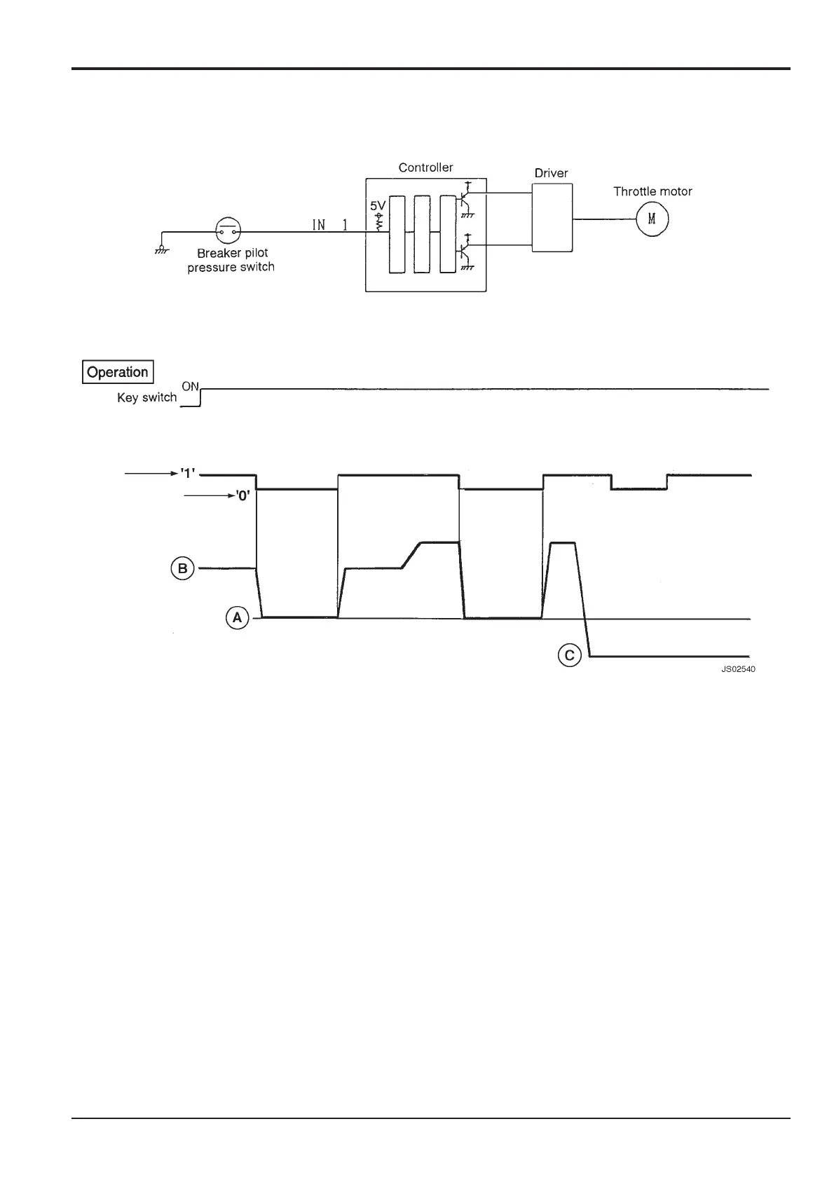
Control of Engine Speed for Breaker Operation
Note: It is necessary to preset the engine r.p.m. to a speed which delivers the flow rate required for breaker operation (see
Setting Function under Self Test Function).
The breaker can only be operated when the throttle control lever is set to give a higher engine speed (condition B) than that
required for breaker operation (condition A). The following brief explanation assumes that this criteria has been met. If the
throttle control lever setting gives an engine speed lower (condition C) than condition A the breaker circuit is inhibited.
When the breaker foot pedal is pressed, the breaker pilot switch closes to apply a logic ‘1’ signal to the controller. The controller
output causes the throttle motor to reduce the engine speed to the breaker pre-set speed. When the foot pedal is released the
logic ‘1’ signal is disconnected and the controller, via the throttle motor, causes the engine speed to revert (increase) to that set
by the throttle control lever.
*
*
*
*

Table of Contents

Other manuals for jcb JS210

Related product manuals