EasyManua.ls Logo

jcb JS210 - Page 395

jcb JS210
531 pages
Print Icon
To Next Page IconTo Next Page
To Next Page IconTo Next Page
To Previous Page IconTo Previous Page
To Previous Page IconTo Previous Page
Loading...
80 - 2
Section E
Hydraulics
9803/6400
Section E
80 - 2
Issue 1
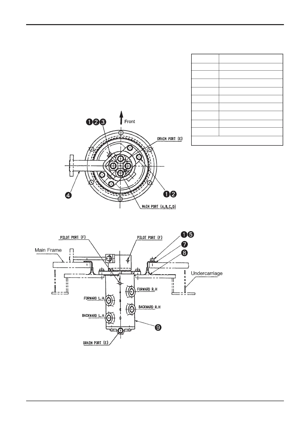
Rotary Coupling
Schematic, Technical Data (continued)
Item Part Name
1 High strength bolt
2 High strength washer
3 Loctite 262
4 Lock bar
5 Seal washer
6 Seal cap
7 Rubber packing
8 Seal ring
9 Rotating joint assmebly
The unit weighs 35kg.

Table of Contents

Other manuals for jcb JS210

Related product manuals