EasyManua.ls Logo

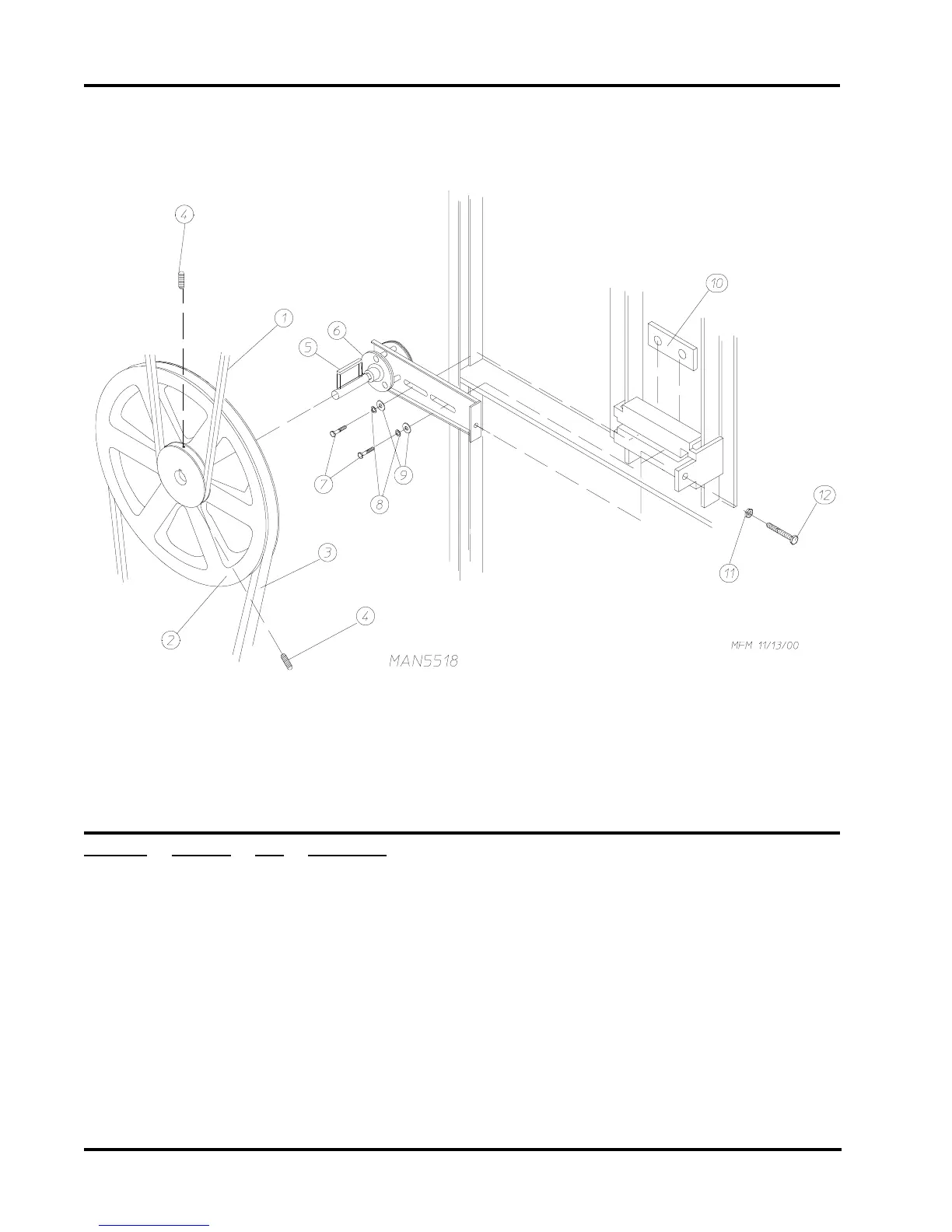
JLA Phase 7 D30 - Idler Bearing Assembly

Default Icon
39 pages
Print Icon
To Next Page IconTo Next Page
To Next Page IconTo Next Page
To Previous Page IconTo Previous Page
To Previous Page IconTo Previous Page
Loading...
14
Illus. No. Part No. Qty. Description
1 100107 1 5L-670 V-Belt (basket [tumbler] to idler)
2 101129 1 9” x 2-1/2” Compound Pulley
3 100103 1 4L-510 V-Belt
4 154301 2 5/16-18 x 1” Allen Setscrew
5 100705 1 3/16” x 3/16” x 1-3/8” Key
6 882576 1 Idler Bearing Assembly Complete
(includes illus. nos. 5 through 12)
7 150617 2 3/8-16 x 1” Hex Head Machine Bolt
8 153005 2 3/8” Lock Washer
9 153004 2 3/8” Flat Washer
10 801009 1 Idler Square Washer
11 152004 1 5/16-18 Hex Nut
12 150509 1 5/16-18 x 3” Hex Head Machine Bolt
Idler Bearing Assembly

Related product manuals