EasyManua.ls Logo

JLG 4017PS - Page 25

JLG 4017PS
70 pages
Print Icon
To Next Page IconTo Next Page
To Next Page IconTo Next Page
To Previous Page IconTo Previous Page
To Previous Page IconTo Previous Page
Loading...
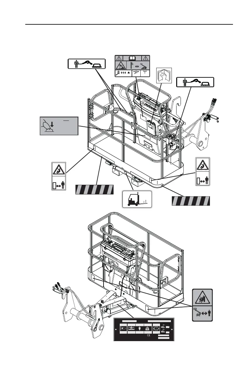
Section 2 - Pre-Operation and Inspection
2-531200345
CE Platforms SN 2016183-1 to Present
OZ4560
1704277 B
1704277
1001099562A
450 kg MAX
=+=
12.5 m/s MAX
400N MAX
1001099562
1701640
1701640
MAX
1001161009A
4014PS / 5200 Kg
4017PS / 6200 Kg
1001161009
8006612
1704016 C
1704016
4420051
4420051
8006612
1704277 B
1704277
1701518 A
1701518
SERIAL NUMBER PLATE
Producer:
Industrieterrein Oude Bunders 1034, Breitwaterstraat 12
3630 Maasmechelen - Belgium
JLG Manufacturing Europe BVBA
3252801B
DATE OF
MANUFACTURE
G.V.W.
MODEL
MAX
MAX
MAX
MAX
SERIAL NO.
M/S
N
M/S
N
kg
kg
kg
kg
kg
=
+
DESIGNATION : MEWP
S
A
M
P
L
E

Table of Contents

Other manuals for JLG 4017PS

Related product manuals