EasyManua.ls Logo

JRC JRL-2000F - Page 56

JRC JRL-2000F
67 pages
Print Icon
To Next Page IconTo Next Page
To Next Page IconTo Next Page
To Previous Page IconTo Previous Page
To Previous Page IconTo Previous Page
Loading...
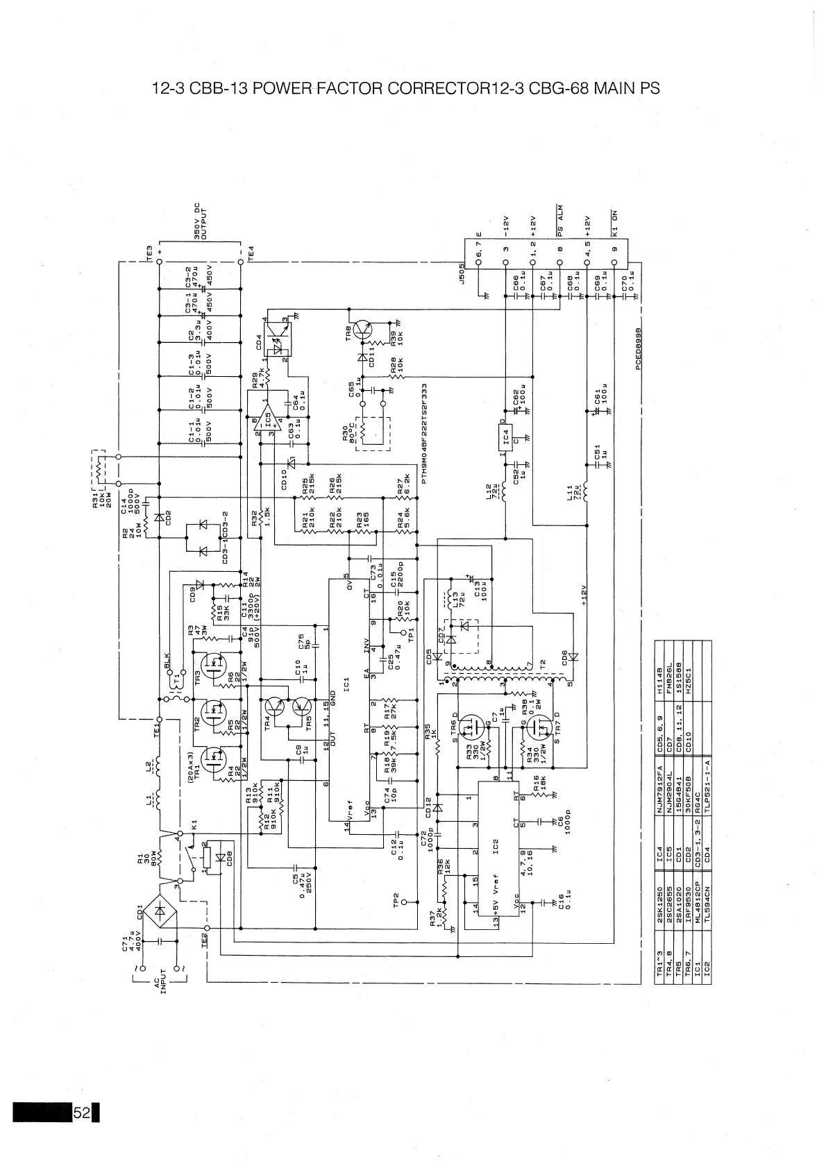
12-3 CBB-13 POWER FACTOR CORRECTOR1 2-3 CBG-68 MAIN
PS

Other manuals for JRC JRL-2000F