EasyManua.ls Logo

JRC JRL-2000F - Page 59

JRC JRL-2000F
67 pages
Print Icon
To Next Page IconTo Next Page
To Next Page IconTo Next Page
To Previous Page IconTo Previous Page
To Previous Page IconTo Previous Page
Loading...
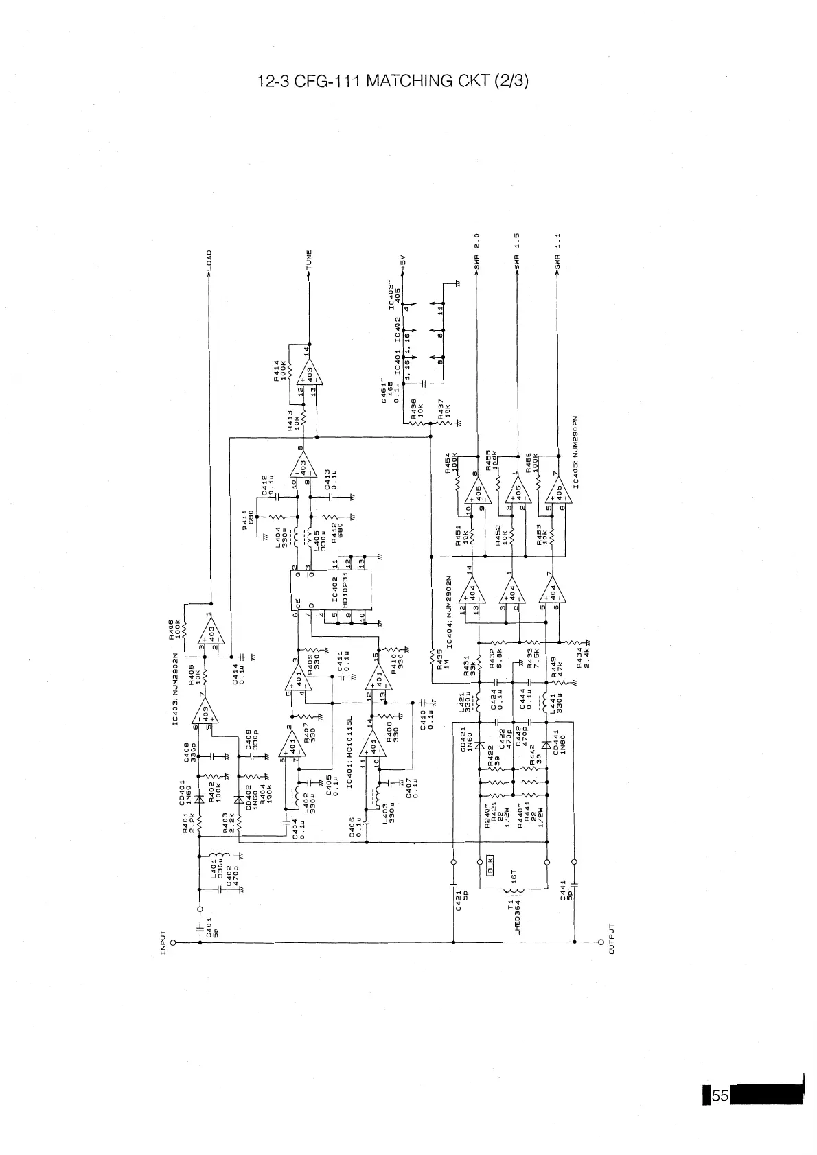
12-3
CFG-I
I
I
MATCHING
CKT
(213)

Other manuals for JRC JRL-2000F