EasyManua.ls Logo

JRC JRL-2000F - Page 62

JRC JRL-2000F
67 pages
Print Icon
To Next Page IconTo Next Page
To Next Page IconTo Next Page
To Previous Page IconTo Previous Page
To Previous Page IconTo Previous Page
Loading...
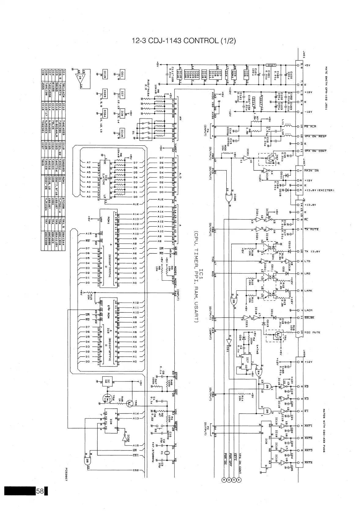
12-3 CDJ-1143
CONTROL
(112)
VPA
ON
RESP
?PA
ON
CONT
+13.8V
(EXCITER
I

Other manuals for JRC JRL-2000F