EasyManua.ls Logo

Kaba PowerLever 1550 - PARTS CHECK; Illustrated Parts Breakdown

Kaba PowerLever 1550
32 pages
To Next Page IconTo Next Page
To Next Page IconTo Next Page
To Previous Page IconTo Previous Page
To Previous Page IconTo Previous Page
Loading...
Document Number 481.093 Rev. A - 06/04
3
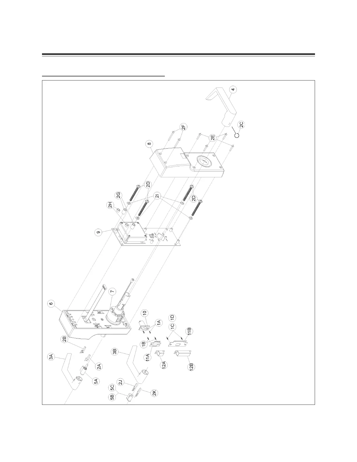
Figure 1
Parts Check
PARTS CHECK
Illustrated Parts Breakdown

Related product manuals