EasyManua.ls Logo

KaVo NOMAD PRO 2 - X-Ray Tube Specifications and Characteristics

KaVo NOMAD PRO 2
52 pages
Print Icon
To Next Page IconTo Next Page
To Next Page IconTo Next Page
To Previous Page IconTo Previous Page
To Previous Page IconTo Previous Page
Loading...
4342
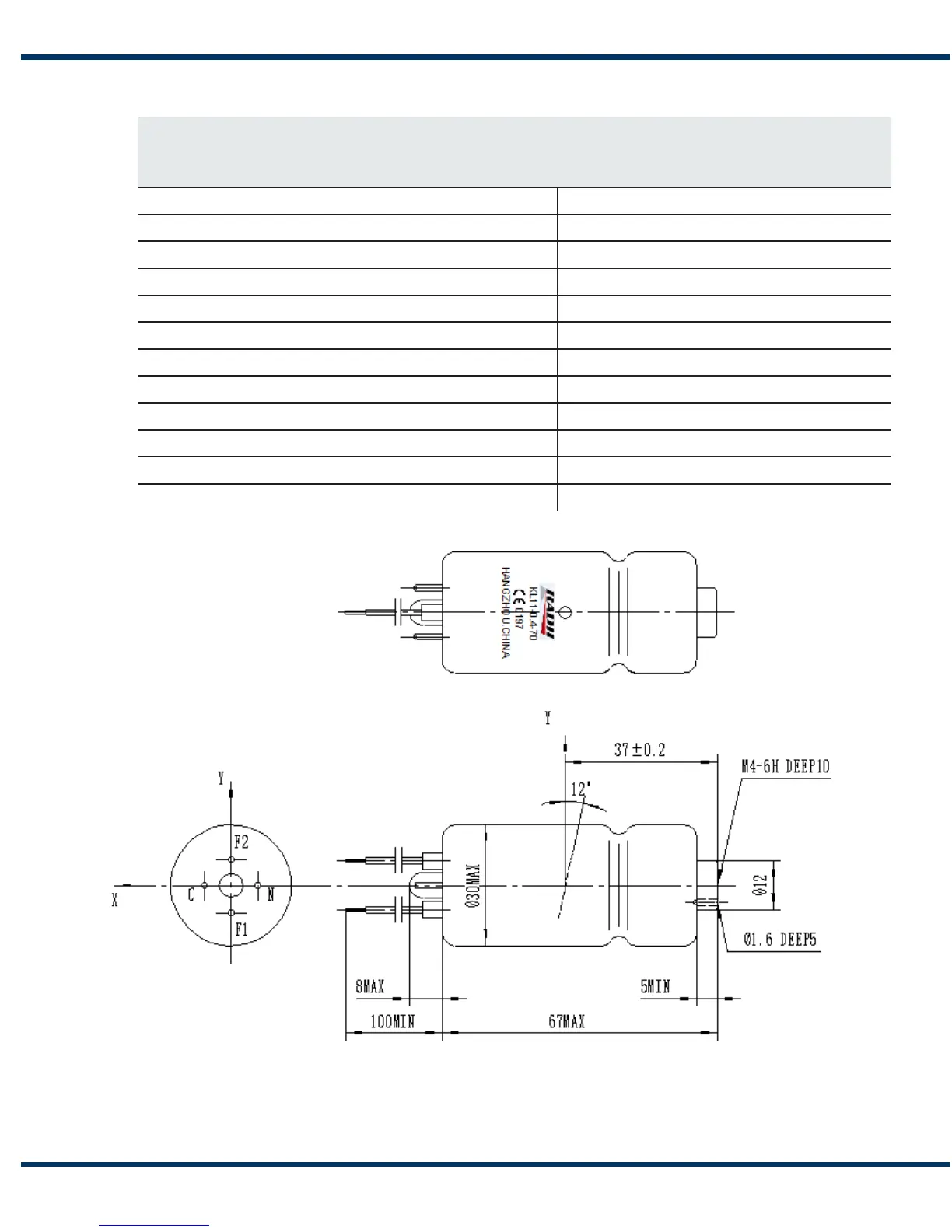
8.2 X-ray Tube Specifications and Characteristics
The KL 11-0.4-70 is designed for intra-oral dental imaging by an X-ray unit and
is available for nominal tube voltage with self-rectified or constant potential circuit –
manufactured by Kailong.
Nominal tube voltage 70kV
Nominal focal spot (IEC 60336:1993) 0.4mm
Maximum anode heat content 4500J
Maximum current continuous service 1.5mA x 70kV
Maximum anode cooling rate 100W
Nominal anode input power 430W
Target material Tungsten
Minimum target angle 12˚
Filament characteristics 2.2 – 3.0A, 2.0 – 3.5V
Minimum permanent filtration (IEC 60522:1999) 0.8mm Al/75kV
X-ray source assembly maximum heat content 6500J
X-ray source assembly PS454
OUTLINE DRAWING
CENTRAL X-RAY
F: FILAMENT
C: CATHODE
X axis: horizontal y axis: vertical

Related product manuals