EasyManua.ls Logo

Keyscan CA8WL-AL - Figure 10 - Communication - Serial

Default Icon
52 pages
Print Icon
To Next Page IconTo Next Page
To Next Page IconTo Next Page
To Previous Page IconTo Previous Page
To Previous Page IconTo Previous Page
Loading...
Keyscan Inc. A Member of the Kaba Group CA8WL-AL Rev. B Installation Guide (07.15)
23
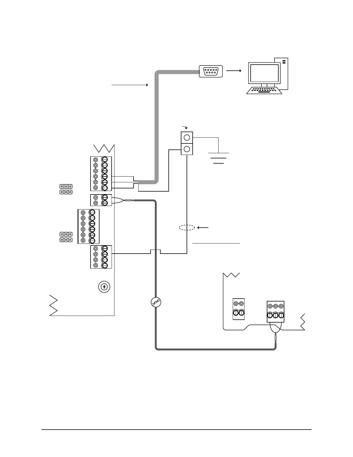
Figure 10 Communication - Serial
Green
Black
Red
Shield*
Ground
Lug
RS-232
5 conductors 22AWG
shielded cable
Maximum - 20 feet (6 m)
Cut View of CA8WL-AL
with right cover removed
* Ensure that the shield is insulated and connected
to the ground lug. Keyscan suggests Alpha PVC
10516 - #16 clear tubing or a comparable tubing to
insulate the shield. Do not connect the shield to
GND on a communication terminal block.
to com port on
server/workstation
with communication
service
DIP Switches
S1.11 = OFF
S1.10 = OFF
KI-00531E-12-14
POWER
INOUT
-
+
-
+
DOOR
AUX.
N/C
(+)
COM
(-)
N/O
(+)
N/C
(+)
COM
(-)
N/O
(+)
RS-485
A
B
RS-232
CTS
DTR
DCD
RD
TD
GND
(+ 12 VDC)
KEYSCAN INC.
CA150B
Rev. B
CA8WL-AL
J10
J11
J9
J8
# 18 AWG Green
PC1156
to cold water pipe
RS485
TDA- TDB+RDB
+ POWER -
Cut View of PIM400-485
With front cover removed
A to TDA-
B to TDB+
RS485
CAT 5, 1 twisted pair
maximum 4000 ft.
(1219.2 m)
Note # 18 AWG Green
- required for either PoE or ungrounded power supply
- not required for grounded power supply

Table of Contents