EasyManua.ls Logo

Keyscan CA8WL-AL - Figure 11 - Communication - USB Adaptor;Serial

Default Icon
52 pages
Print Icon
To Next Page IconTo Next Page
To Next Page IconTo Next Page
To Previous Page IconTo Previous Page
To Previous Page IconTo Previous Page
Loading...
Keyscan Inc. A Member of the Kaba Group CA8WL-AL Rev. B Installation Guide (07.15)
24
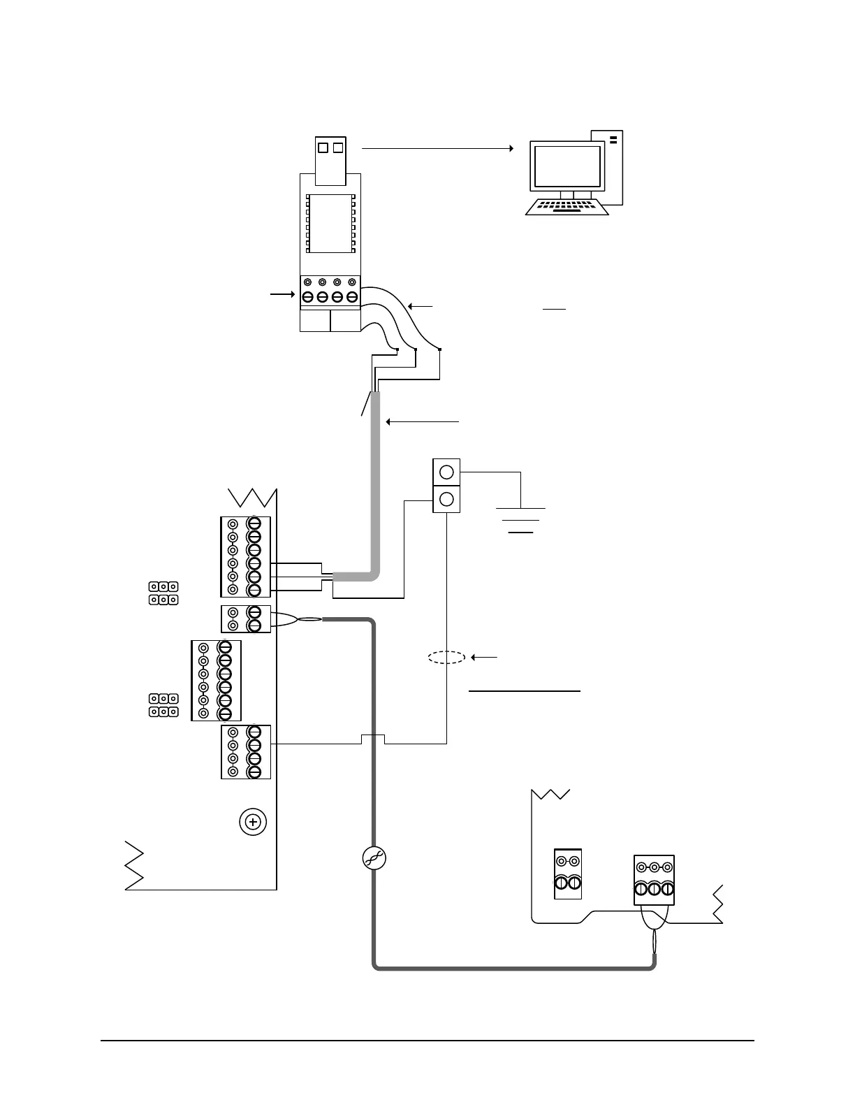
Figure 11 Communication - USB Adaptor/Serial
Green
Black
Red
Shield*
Ground
Lug
RS-232 - 5 conductors
22AWG shielded cable
Maximum - 20 feet (6 m)
Cut View of CA8WL-AL
with right cover removed
* Ensure that the shield is insulated and connected
to the ground lug. Keyscan suggests Alpha PVC
10516 - #16 clear tubing or a comparable tubing to
insulate the shield. Do not connect the shield to
GND on a communication terminal block.
DIP Switches
S1.11 = OFF
S1.10 = OFF
KI-00532E-12-14
POWER
INOUT
-
+
-
+
DOOR
AUX.
N/C
(+)
COM
(-)
N/O
(+)
N/C
(+)
COM
(-)
N/O
(+)
RS-485
A
B
RS-232
CTS
DTR
DCD
RD
TD
GND
(+ 12 VDC)
KEYSCAN INC.
CA150B
Rev. B
CA8WL-AL
J10
J11
J9
J8
# 18 AWG Green
PC1156
to cold water pipe
RS485
TDA- TDB+RDB
+ POWER -
Cut View of PIM400-485
With front cover removed
A to TDA-
B to TDB+
RS485
CAT 5, 1 twisted pair
maximum 4000 ft.
(1219.2 m)
tape
back
shield
Unused conductors are
taped back separately.
485 terminal
block not used
to USB port on server/
workstation with
communication service
may require USB extension
cable
Server/workstation
with communication
service
BRNWHTGRN WHT
+ TX - + RX -
485 OUT 485 IN
use 3 loose
RS-232 wires
Note
USB communication is
slower than direct serial or
NETCOM communication.
Green
Black
Red
Note # 18 AWG Green
- required for either PoE or ungrounded power supply
- not required for grounded power supply

Table of Contents