EasyManua.ls Logo

Keyscan CIM-LINK - Page 22

Keyscan CIM-LINK
28 pages
Print Icon
To Next Page IconTo Next Page
To Next Page IconTo Next Page
To Previous Page IconTo Previous Page
To Previous Page IconTo Previous Page
Loading...
Keyscan Inc. A Member of the Kaba Group
22
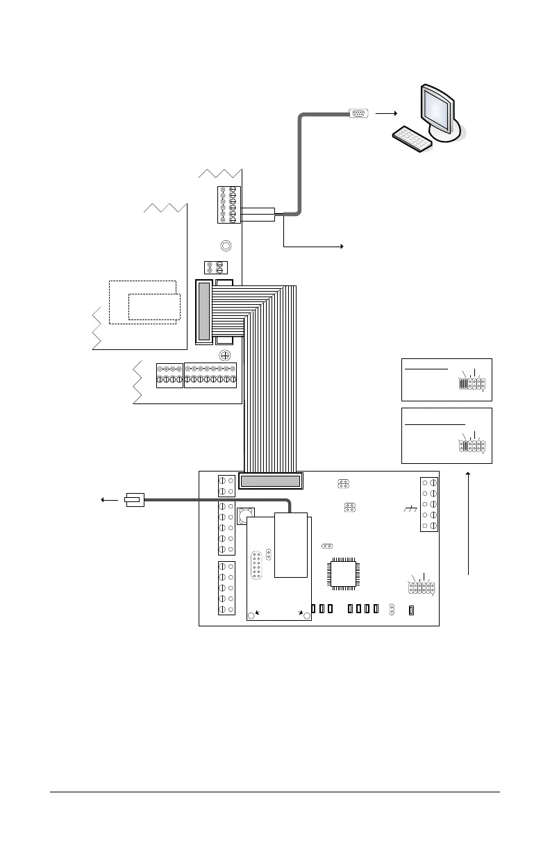
Figure 14 - CIM-LINK on a Single Communication Loop Control Board has RS-
232 Serial Connection
10 or 100 Base T
to
network
- virtual
connection to
corresponding
CIM-LINK
module
Current - CIM-LINK 150 mA +
NETCOMP 140 mA = 290 mA
KI-00494E-10-12
Connect ribbon cable from HDR1 on CIM-LINK to H2
terminal on control board.
CIM-LINK & NETCOMP powered via ribbon cable from
control board.
Set Jumpers
TD1
RD1
TD2
RD2
GND
RTS
CTS
GND
RTS
CTS
B3 B2 B1 B0
Diag
J2
RESET
-
CAN2
+
EGND
-
CAN1
+
GND
V +
(+12V)
SCKT1
PC106x
J1
J7
J8
J6
J5
CAN2
CAN1
1 2 1 2 1 2 1 2
Rx-COM
COM
CAN
CAN-Tx
J3
J4
J9
J12
Power
Good
Fault
COM1
COM2
HDR1
J10
J11
Control Board
(PC 109x)
shown with RS-232 serial
connection to PC.
Common AUX Inputs - E
24
2322
2120191817
H1H2
RJ45
Terminal
Jack
J1
U2
NETCOMP
Standoffs
CIM-LINK
CTS
DTR
DCD
RD
TD
GND
RS-232 TB4
TX
RX
IOCB (COM1)
Ethernet M1
Current - Control Board 130 mA
to Com Port on PC
with
Communication
Manager
RS-232 5 conductor
22 AWG shielded cable
Maximum - 100 Ft (30 M)
to ground lug
Shield*
Black
Brown & White
not used. Tape
back separately.
Red
* Insulate shield with PVC tubing such as Alpha
(p/n PVC10516 16 AWG) or comparable
insulator.
Green
J3
J4
J9
J12
J10
J11
Master Loop
J3 ON
Single ACU
J4 ON
J3
J4
J9
J12
J10
J11
Subordinate Loop
J3 OFF
Single ACU
J4 ON

Related product manuals