EasyManua.ls Logo

Kone MX20 - Cleaning of Car Tops; Hoistway Door Interlocks or Mechanical Locks and Electric Contacts

Kone MX20
116 pages
Print Icon
To Next Page IconTo Next Page
To Next Page IconTo Next Page
To Previous Page IconTo Previous Page
To Previous Page IconTo Previous Page
Loading...
KONE Maintenance Method
MX10 / MX20 MCP Procedures - ASME A17.1-2013 / CSA B44-13
© 2014 KONE Corporation PSK8-604-MX10/MX20
All rights reserved.
50 (-) 2014-12-15
8.6.4.9: Cleaning of Car Tops
Procedure Note
Wipe down the car top. Remove debris. Do not use the car top for storage of
lubricants, parts, tools or other items.
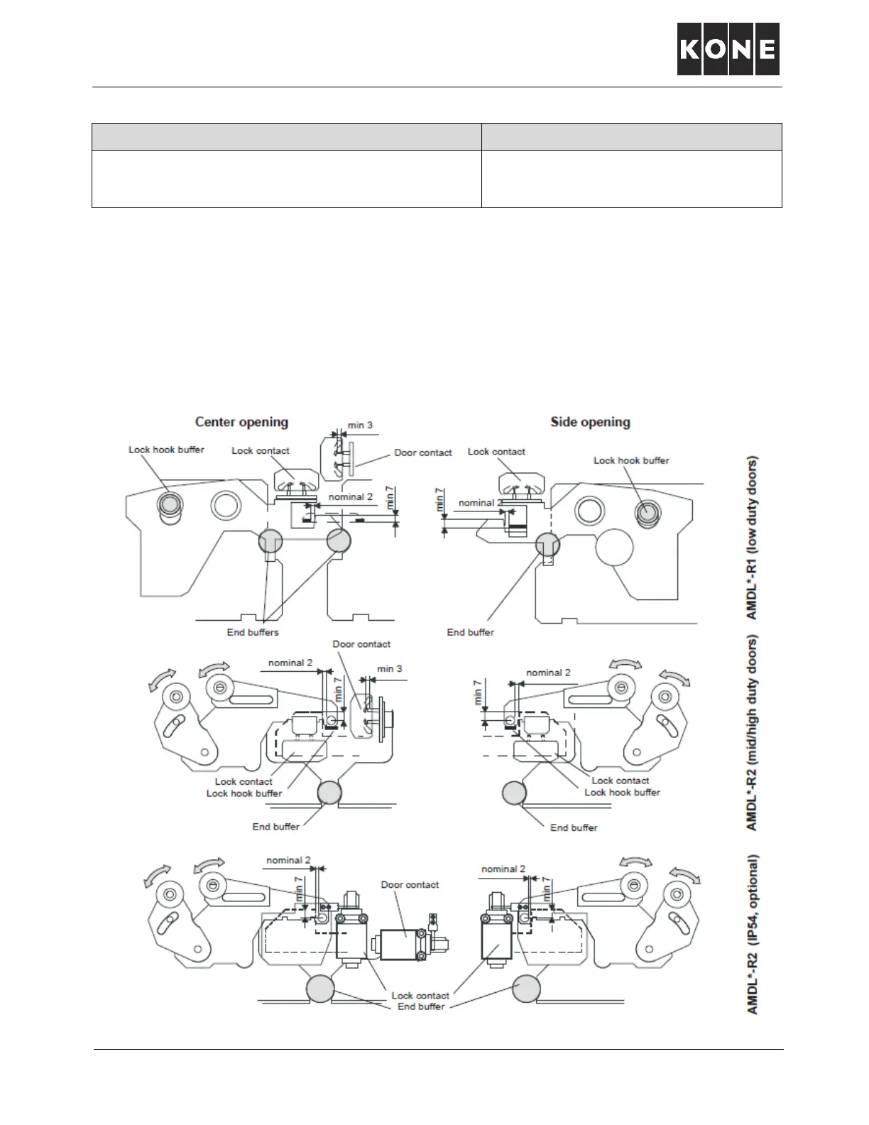
8.6.4.13(a): Hoistway door interlocks or mechanical locks and electric contacts
AMD Hoistway Door Interlocks
AMDL*-R1 (low duty doors) and AMDL*-R2 (mid/high duty doors) settings

Table of Contents

Related product manuals