EasyManua.ls Logo

Kone MX20 - Car Door Lock

Kone MX20
116 pages
Print Icon
To Next Page IconTo Next Page
To Next Page IconTo Next Page
To Previous Page IconTo Previous Page
To Previous Page IconTo Previous Page
Loading...
KONE Maintenance Method
MX10 / MX20 MCP Procedures - ASME A17.1-2013 / CSA B44-13
© 2014 KONE Corporation PSK8-604-MX10/MX20
All rights reserved.
53 (-) 2014-12-15
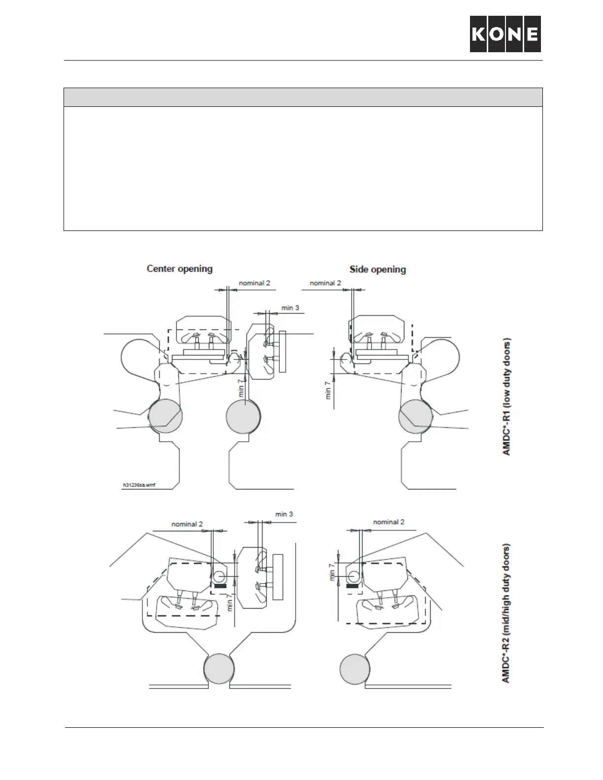
8.6.4.13.1 (b): Car door lock
Procedure
Door lock and contacts:
Check the car door lock function (Note! The lock is not adjustable).
Lock hook and peak overlap when contact operates must be a minimum of 7 mm.
The contact bridge should push the door contact surface down a minimum of 3 mm.
Play between the lock hook and beak should be 2 mm (nominal).
Clean car door lock contacts.

Table of Contents

Related product manuals