EasyManua.ls Logo

Kone MX20 - Page 94

Kone MX20
116 pages
Print Icon
To Next Page IconTo Next Page
To Next Page IconTo Next Page
To Previous Page IconTo Previous Page
To Previous Page IconTo Previous Page
Loading...
KONE Maintenance Method
MX10 / MX20 MCP Procedures - ASME A17.1-2013 / CSA B44-13
© 2014 KONE Corporation PSK8-604-MX10/MX20
All rights reserved.
94 (-) 2014-12-15
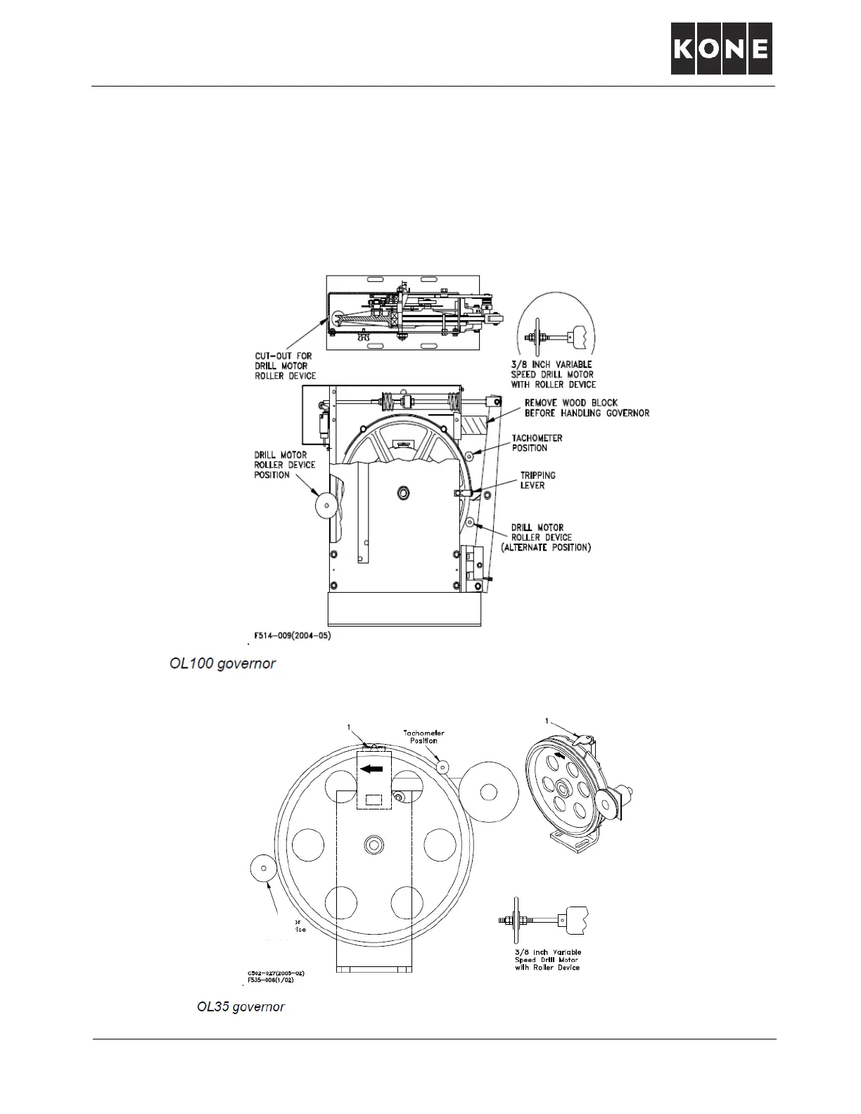
5) Perform following measurement procedure three times and record speed each time.
Use drill motor and rubber wheel to slowly increase speed of governor.
Use handheld tachometer to measure speed.
Continue increasing speed until electrical overspeed switch trips.
Measure and record trip speed.

Table of Contents

Related product manuals