EasyManua.ls Logo

KStar HIP3300E - Turn On;Off UPS Procedures

KStar HIP3300E
78 pages
Print Icon
To Next Page IconTo Next Page
To Next Page IconTo Next Page
To Previous Page IconTo Previous Page
To Previous Page IconTo Previous Page
Loading...
31
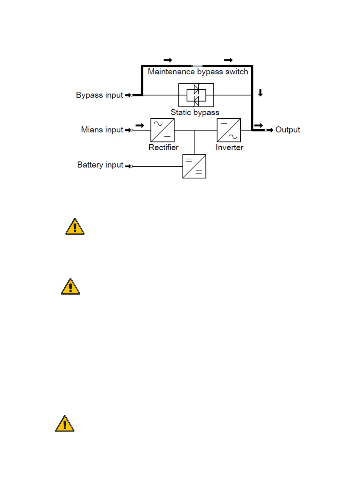
A manual bypass switch is available to ensure continuity of supply to the critical load when the
UPS is out of order or in repair and this manual bypass switch bears for equivalent rated load.
4.2 Turn on/off UPS
4.2.1 Restart procedure
CAUTION!
MAKE SURE GROUNDING IS PROPERLY DONE!
Set the Battery Switch to the “ON” position according to the user’s manual.
Open the front and rear doors of the UPS to access to the main power switches.
During this procedure the output terminals will become alive.
CAUTION!
Check to see if the load is safely connected with the output of the UPS. If the
load is not ready to receive power from the UPS, make sure that it is safely
isolated from the UPS output terminals
Turn ON the bypass and input switches of the UPS, make sure that “Bypass module”
insert the cabinet and fix with screws and the module_in switch at the on status
When AC MAINS input voltage within the range, and the rectifiers of the UPS will be started
up in 30 seconds, then the inverter is started completely. When the output switch is “ON”, the
inverter LED lights up.
Switch ON output switch
If the rectifier of the UPS does not start-up, the green LED will flash, bypass
module green LED will light on, the power module green LED will flash. when UPS
turn to inverter mode power module and display panel green LED will light on.
No matter the UPS is operated normally or not, the LCD display will indicate
current status.
4.2.2 Test procedure
CAUTION!
The UPS is operating normally.
It may take 60 seconds to boost up the system and perform self-test completely.
Switch off the MAINS to simulate utility failure, the rectifier will turn off and the battery
should feed the inverter without interruption.

Related product manuals