EasyManua.ls Logo

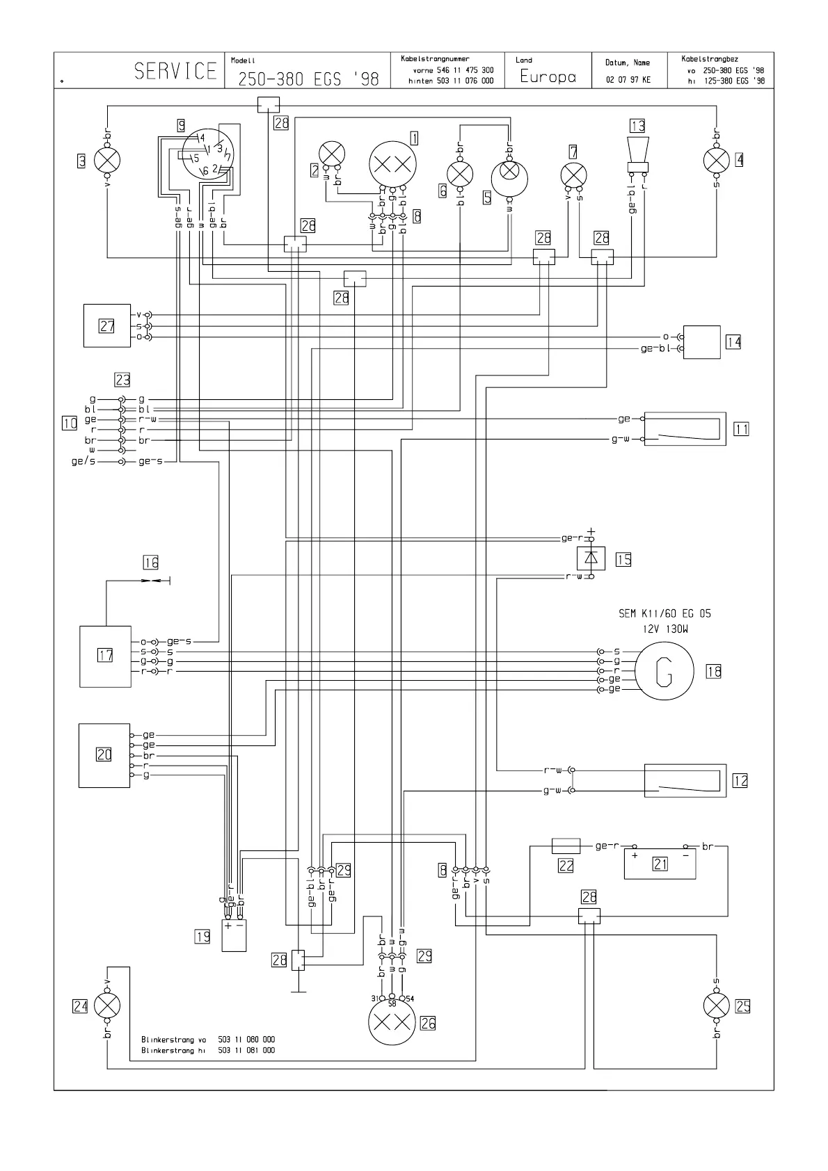
KTM 300 1998 - Wiring Schematics (Europe Models)

KTM 300 1998
59 pages
Print Icon
To Next Page IconTo Next Page
To Next Page IconTo Next Page
To Previous Page IconTo Previous Page
To Previous Page IconTo Previous Page
Loading...

Table of Contents

Related product manuals