EasyManua.ls Logo

Kyocera FS-1030MPF

Kyocera FS-1030MPF
270 pages
To Next Page IconTo Next Page
To Next Page IconTo Next Page
To Previous Page IconTo Previous Page
To Previous Page IconTo Previous Page
Loading...
2MH/2MJ/2MK/2ML
1-5-19
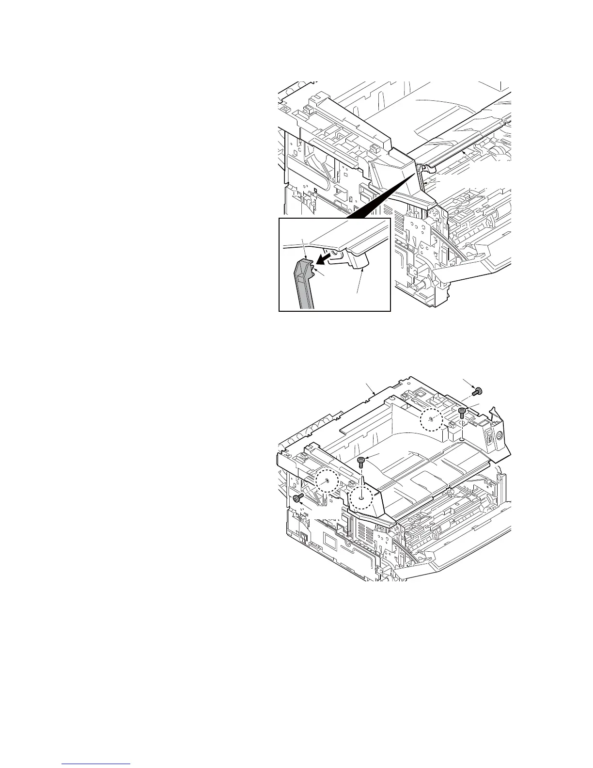
8. Release the hook and then remove the
top cover rack-L from the top cover.
Figure 1-5-24
9. Remove four screws from the top cover.
Figure 1-5-25
Top cover
rack-L
Top cover
Top cover
Top cover rack-L
Hook
Top cover
Screw
Screw
Screw
Screw

Table of Contents

Related product manuals