EasyManua.ls Logo

La Spaziale COMPACT - Page 33

La Spaziale COMPACT
104 pages
Print Icon
To Next Page IconTo Next Page
To Next Page IconTo Next Page
To Previous Page IconTo Previous Page
To Previous Page IconTo Previous Page
Loading...
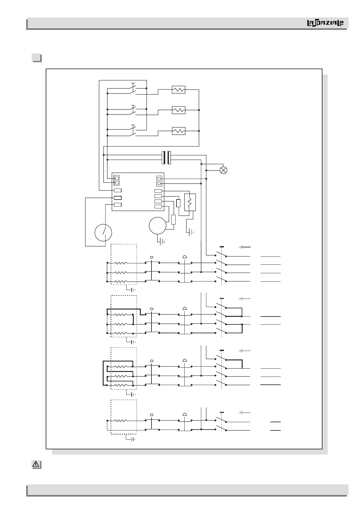
INSTRUCTIONMANUALFORTHEINSTALLER


R C
TS
I G
V 230 / 3
P
MN N A
Ev
1
P
1
24 V
TR
230 V
P
2
P
3
Ev
2
Ev
3
MP
EV AL
G
R C
TS
I G
V 230
P
MN N A
R C
TS
I G
V 400 / 3 + N
P
MN N A
R C
TS
I G
1Gr.
V 230
V 110
P
SC07
CONTROL BOARD
ALC 230 V
ALC 24 V
F
N
F
N
M
A
F
1 F2 F3 F1 F2 F3 N
SP
CC
CMP



Table of Contents

Related product manuals