EasyManua.ls Logo

La Spaziale COMPACT - Wiring Diagrams

La Spaziale COMPACT
104 pages
Print Icon
To Next Page IconTo Next Page
To Next Page IconTo Next Page
To Previous Page IconTo Previous Page
To Previous Page IconTo Previous Page
Loading...
INSTRUCTIONMANUALFORTHEINSTALLER

 

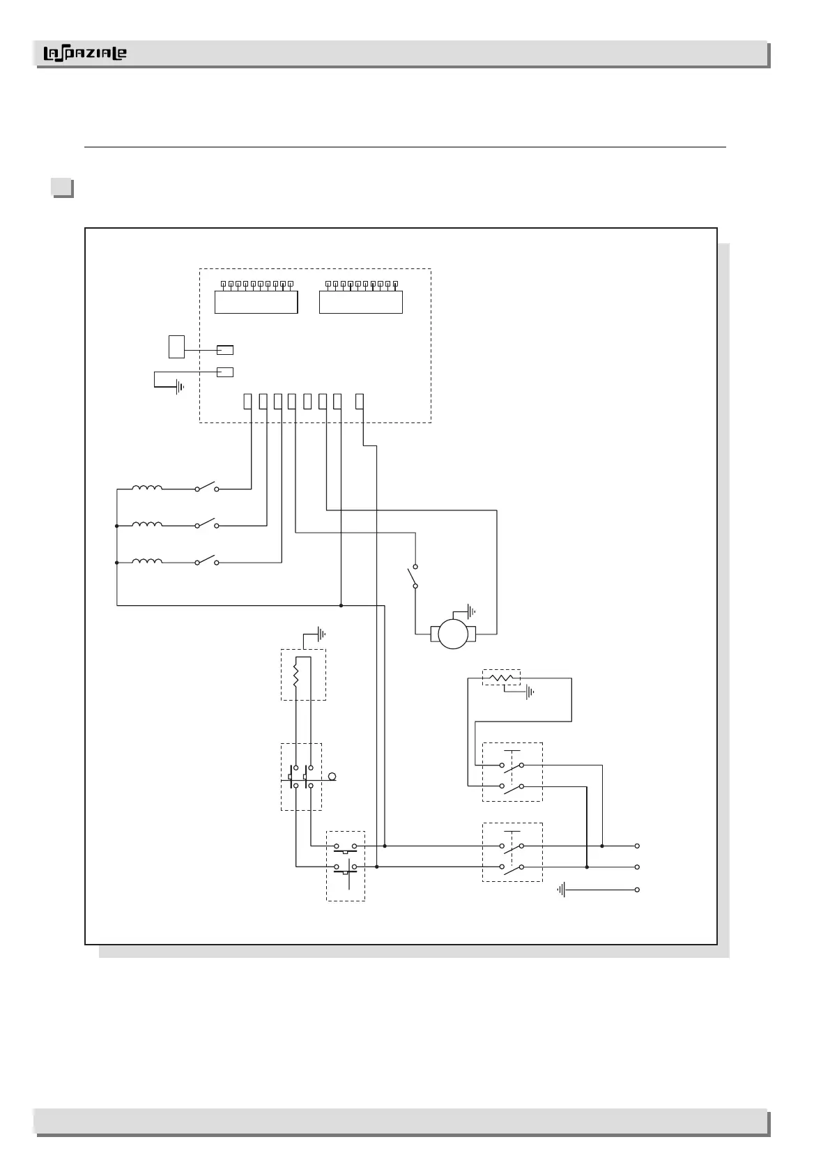
P1
C A. L.
C Mp
Mp
Rs
NF1
1 2
A. L.
Ev
10
9
8
7
6
5
4
3
2
1
P2
10
9
8
7
6
5
4
3
2
1
SL
C2
2 Gr.
Ev
C1
1 Gr.
Ev
R CTS
P
IG
M A
GND
V 230
V 110

Table of Contents

Related product manuals