EasyManua.ls Logo

La Spaziale COMPACT - Page 70

La Spaziale COMPACT
104 pages
Print Icon
To Next Page IconTo Next Page
To Next Page IconTo Next Page
To Previous Page IconTo Previous Page
To Previous Page IconTo Previous Page
Loading...
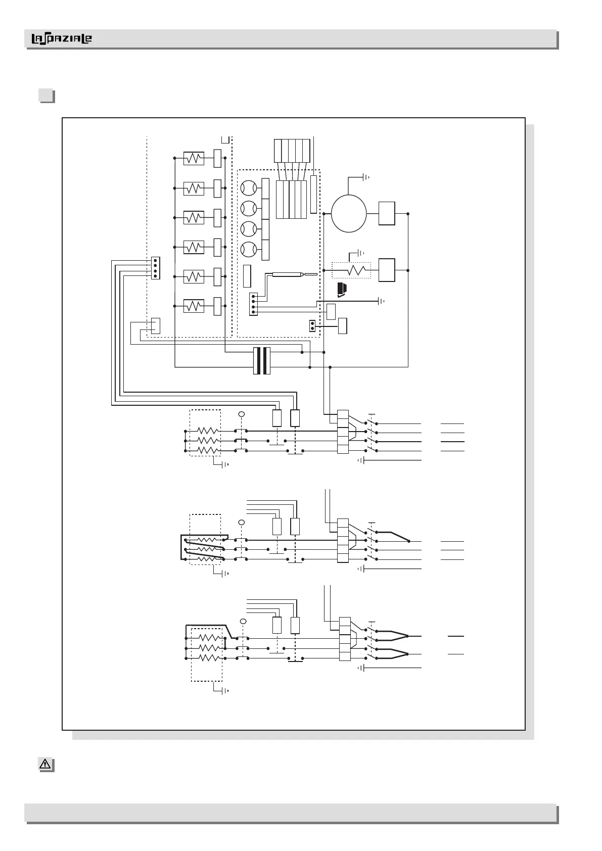
INSTRUCTIONMANUALFORTHEINSTALLER


V 230
Possible only on models with 2 or 3 groups
TS
R C
K1
K2
R S T S N
NN M A
I G
V 230 / 3
TS
R C
K1
K2
R S T S N
NN M A
I G
V 400 / 3+N
Ev1
C1
Ev2
C2
Ev3
C3
Ev4
C4
EvAL EvH
CC
24 V
TR
230 V
Ps
ALC 230 V
SER 4
SER 2
SER 1
SL
F1
1 4
1 4
1 4 1
1 10
4 1 4
F2 F3 F4
P 1
P 2
P 3
P 4
1 10
1 10
1 10
1 10
1 10
PSH
1 2
S
Mp
RS
C Rs C Mp
CH
TS
R C
K1
K2
F F N F N
NN M A
I G
F
N F
1
F
2
F
3
F
1
F
2
F
3
N
SC15



Table of Contents

Related product manuals