EasyManua.ls Logo

Labconco FreeZone Plus - Wiring Diagram

Labconco FreeZone Plus
62 pages
Print Icon
To Next Page IconTo Next Page
To Next Page IconTo Next Page
To Previous Page IconTo Previous Page
To Previous Page IconTo Previous Page
Loading...
Appendix C: Freeze Dryer Specifications
Product Service 816-333-8811 or 1-800-522-7658
48
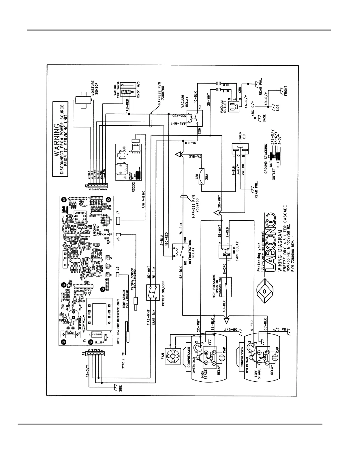
Wiring Diagram, Catalog # 7386020, 7386021 and 7387020, 7387021
(115V, 60 Hz Models)

Table of Contents

Other manuals for Labconco FreeZone Plus

Related product manuals