EasyManua.ls Logo

Lance 1130 - 12 VOLT INTERIOR CIRCUITS WIRING

Default Icon
132 pages
Print Icon
To Next Page IconTo Next Page
To Next Page IconTo Next Page
To Previous Page IconTo Previous Page
To Previous Page IconTo Previous Page
Loading...
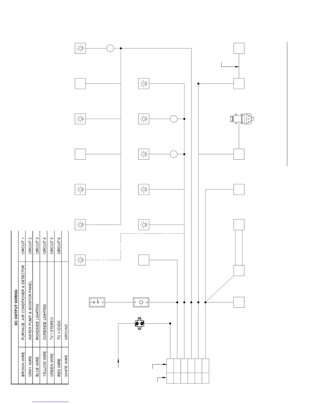
117
30A
20A
15A
15A
15A
10A
6
5
4
3
2
1
FUSE
CIRCUIT
FROM 7-PIN
BARGEMAN
CONNECTOR
AND/OR
BATTERY
40 AMP
MINI
BREAKER
12V
RECEPT
STEREO
TV ANT/
BOOSTER
BUNK
BED
AREA
BATH
LIGHT
POWER
VENT
LAVY
LIGHT
RANGE-
HOOD
GALLEY
O'HD
GALLEY
A/C
UNIT
THERMOSTAT
FURNACE
CO/ALARM
MONITOR
PANEL
WATER
PUMP
WATER
HEATER
SWITCH
GAS/ELECT
(OPTIONAL)
WATER
HEATER
DSI/110V
(OPTIONAL)
S S
S
RIPCORD
14-2
BLUE/
WHITE
16 GA BLUE
16 GA BLUE/
WHITE
RIPCORD 14-2
YELLOW
/WHITE
RED
GREEN
YELLOW
BLUE
GRAY
BROWN
RIPCORD 14-2
GRAY
/WHITE
RIPCORD 14-2
RED
/WHITE
RIPCORD 14-2
BLACK
/WHITE
12 GA BLACK
12 GA BLACK
16 GA
YELLOW
RIPCORD 14-2
GRAY
/WHITE
RIPCORD 14-2
RED
/WHITE
RIPCORD
14-2
BROWN
/
WHITE
LINEN
O'HD
(OPT)
DINETTE
O'HD
PATIO
LIGHT
16 GA RED
SOFA
LIGHT/
BED
AREA
O'HD
FRONT
(IF EQUIP.)
x2
SOFA
LIGHT
SWITCH
(IF EQUIP.)
PATIO
LIGHT
SWITCH
18 GA WHITE
18 GA BLUE
18 GA ORANGE
BATH
LIGHT
SWITCH
12 VOLT INTERIOR CIRCUITS WIRING

Table of Contents

Related product manuals