EasyManua.ls Logo

Lance 1130 - Typical Propane System

Default Icon
132 pages
Print Icon
To Next Page IconTo Next Page
To Next Page IconTo Next Page
To Previous Page IconTo Previous Page
To Previous Page IconTo Previous Page
Loading...
129
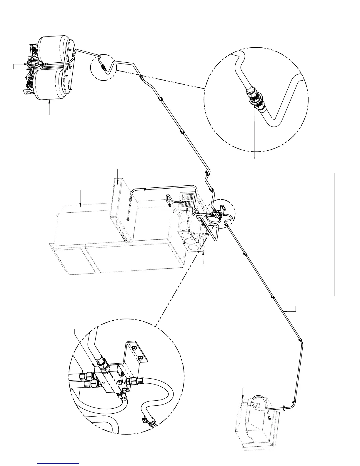
TYPICAL PROPANE SYSTEM
WATER HEATER
REFRIGERATOR
COOKTOP
PROPANE TANKS
FURNACE
THERMOPLASTIC HOSE
MANIFOLD
THERMOPLASTIC HOSE
INTER-CONNECT
PROPANE REGULATOR
PROPANE MANIFOLD
BULKHEAD FITTING
AT FRONT CROSSMEMBER

Table of Contents

Related product manuals