EasyManua.ls Logo

Lance 1130 - Water Heater Dsi;120 V Wiring

Default Icon
132 pages
Print Icon
To Next Page IconTo Next Page
To Next Page IconTo Next Page
To Previous Page IconTo Previous Page
To Previous Page IconTo Previous Page
Loading...
126
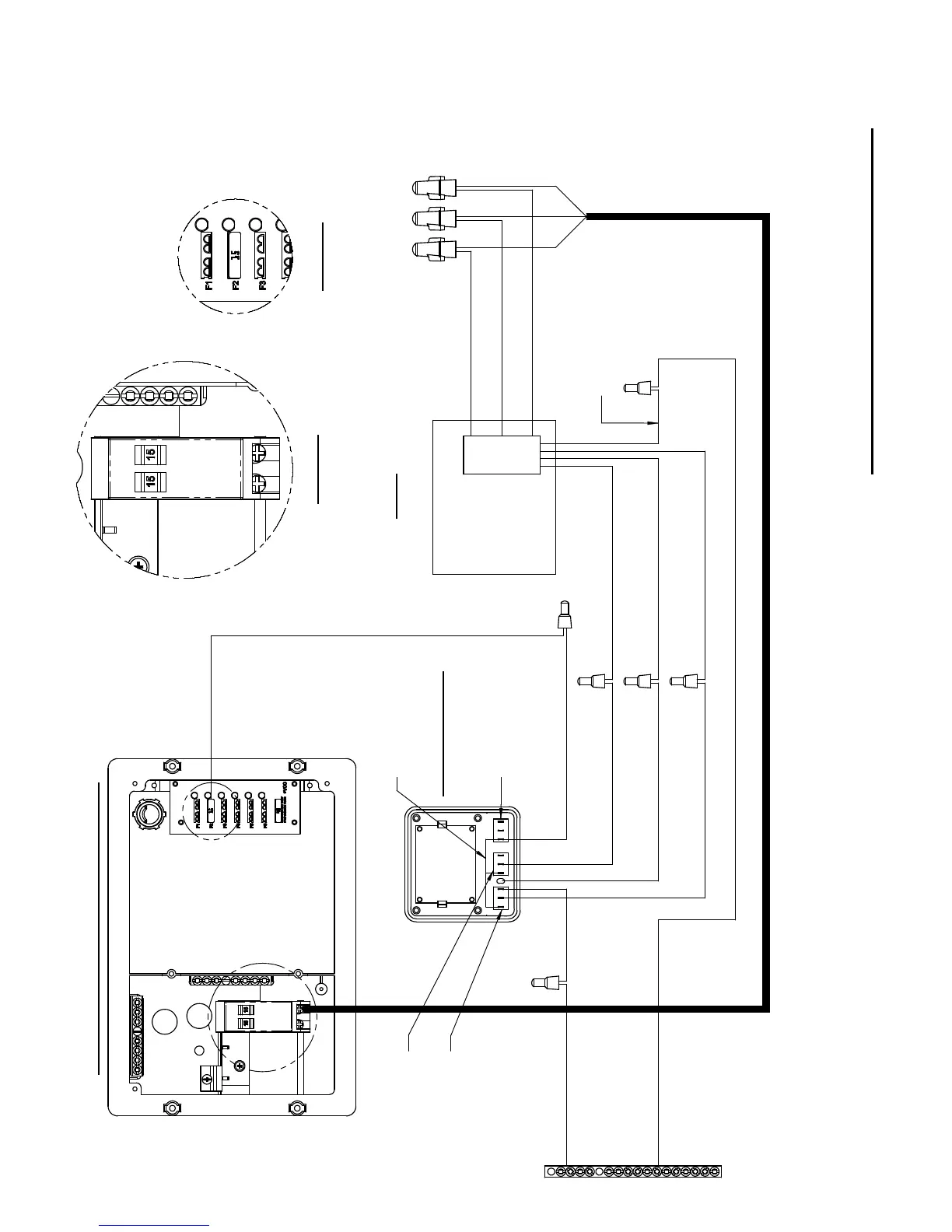
DETAIL B
WATER HEATER DSI/120V WIRING
A
B
20 GA PINK
WHITE- 110V (NEUTRAL)
A/C & DETECTOR 15A
CIRCUIT #2 FURNACE,
GREEN W/YEL
WATER HEATER
DSI/110V
GRAY
RIPCORD 14-2 /WHITE
GROUND BAR
(INCLUDED)
WATER HEATER
20 GA GREEN 18 GA WHITE (ELECTRIC)
14GA & 22GA RED
MONITOR PANEL
18 GA BLUE (LIGHT)
(REAR VIEW)
18 GA GREEN
WATER PUMP
SWITCH
120VAC 14-2 ROMEX W/GROUND
18 GA ORANGE (GAS)
RIPCORD 14-2
GRAY
PA107
/WHITE
LP GA SWITCH
14 GA RED
BLACK - 110V (HOT)
LOAD CENTER/CONVERTER (CIRCUIT 2)
HEATER
WATER
STRIPE - GRN
(GROUND)
20 GA GREY
MICRO.
18 GA GREEN
JUMPER WIRES
WATER HEATER
ELECTRIC SWITCH
22 GA
WHITE
MICROWAVE
WATER
HEATER
DETAIL A

Table of Contents

Related product manuals