EasyManua.ls Logo

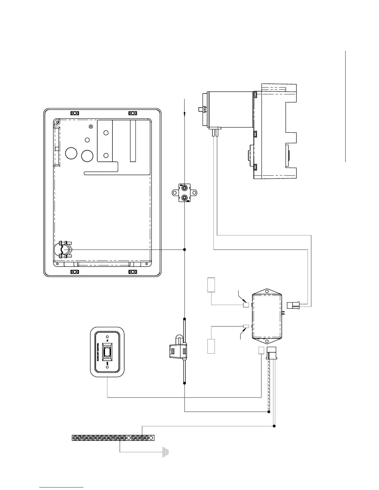
Lance 1130 - Slideout Circuit Wiring

Default Icon
132 pages
Print Icon
To Next Page IconTo Next Page
To Next Page IconTo Next Page
To Previous Page IconTo Previous Page
To Previous Page IconTo Previous Page
Loading...
118
LIMIT SWITCH
A (BLACK-INSIDE)
LIMIT SWITCH
B (RED-OUTSIDE)
SLIDEOUT
CONTROLLER
SLIDEOUT
MECHANISM ROCKER
SWITCH W/BEZEL
GROUND BAR
IN-LINE
FUSE HOLDER
20 AMP FUSE
SLIDEOUT
MOTOR
30 AMP
MINI BREAKER
LOAD CENTER
(CIRCUIT 6, REAR VIEW)
8GA BLACK8GA BLACK
RED
CHARGE LINE
12GA BLUE
12GA WHITE
12GA BLUE
SLIDE MECHANISM
PNP CABLE
8GA WHITE
3-PIN
CONNECTOR
2-PIN
CONNECTOR
FROM 7-PIN
BARGEMAN
CONNECTOR
AND/OR BATTERY
WHITE W/BLACK STRIPE
WHITE
SLIDEOUT CIRCUIT WIRING

Table of Contents

Related product manuals