EasyManua.ls Logo

Lance 1130 - Volt Circuits Wiring

Default Icon
132 pages
Print Icon
To Next Page IconTo Next Page
To Next Page IconTo Next Page
To Previous Page IconTo Previous Page
To Previous Page IconTo Previous Page
Loading...
125
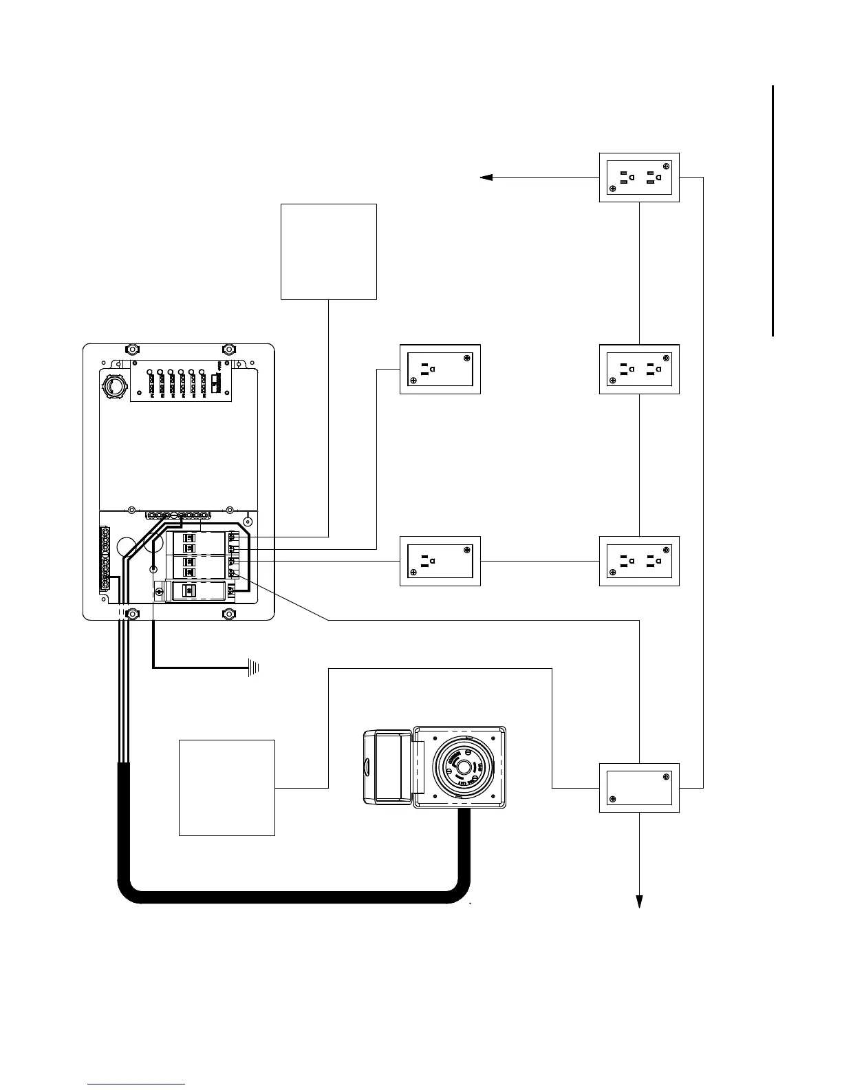
120 VOLT CIRCUITS WIRING
CABINET RECEPTACLES
LOAD CENTER/CONVERTER
ROMEX 14-2
W/GROUND
(IF EQUIPPED)
MICROWAVE
REFER
GFI
HEATER
FACE
GALLEY
SIDE
LAVY
J-BOX GALLEY
WATER
INLET MARINCO
AIR COND.
30AMP POWER
RECEPTACLE
ROMEX 14-2
ROMEX 14-2 W/GROUND
-PATIO
-RIGHT SEAT BOX
-BED(IF APPLICABLE)
ROMEX 14-2 W/GROUND
W/GROUND
ROMEX 14-2 W/GROUND
ROMEX 14-2 W/GROUND ROMEX 14-2 W/GROUND
&/OR FRONT O'HD
ROMEX 12-2 W/GROUND
W/GROUND
ROMEX 12-2 W/GROUND
TO C/S
RECEPTACLES:
TO DINETTE O'HD
ROMEX 14-2
ROMEX 14-2 W/GROUND

Table of Contents

Related product manuals