EasyManua.ls Logo

LELY Splendimo 320 M - Page 41

LELY Splendimo 320 M
50 pages
Print Icon
To Next Page IconTo Next Page
To Next Page IconTo Next Page
To Previous Page IconTo Previous Page
To Previous Page IconTo Previous Page
Loading...
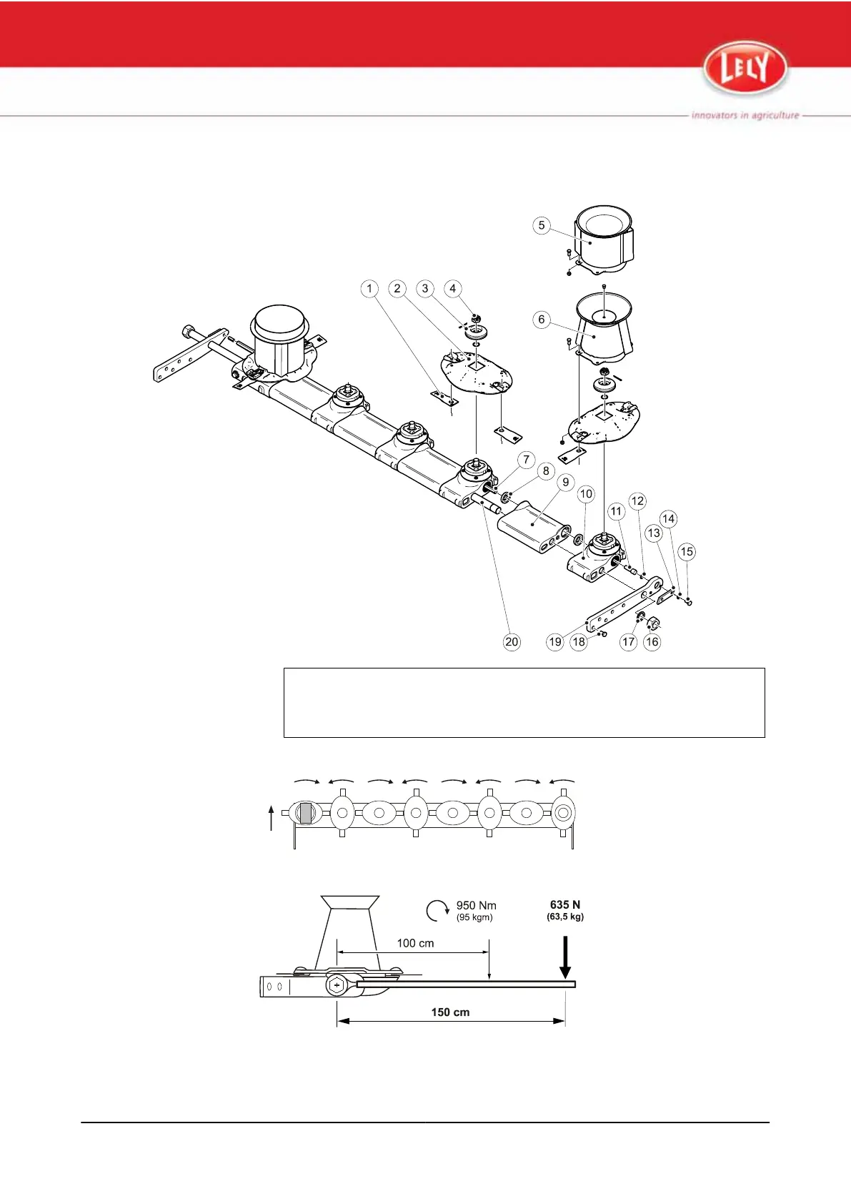
21. Install the securing plate.
1.Mower knive - 2. Mower disc - 3. Pressure piece - 4. Castellated nut - 5.Hat - 6. Hat - 7.
Drive
shaft - 8. Centring ring - 9. Intermediate spacer - 10. Mower element - 11. Securing plug
- 12. Locking ring - 13. Securing plate - 14. Washer - 15. Bolt M10 x20 - 16. M30 nut - 17.
Ring - 18. Bolt - 19. End plate - 20. Connecting rod
Figure 25. Exploded View of the Cutter Bar
Figure 26. Direction of Rotation of the Mower Elements
Figure 27. Torque load Nut M30
Maintenance 5-17
M-H026.1004EN

Table of Contents

Related product manuals