EasyManua.ls Logo

Lenze 4800 - Page 108

Lenze 4800
342 pages
Print Icon
To Next Page IconTo Next Page
To Next Page IconTo Next Page
To Previous Page IconTo Previous Page
To Previous Page IconTo Previous Page
Loading...
Configuration
7-17
48XX/49XXSHB0399
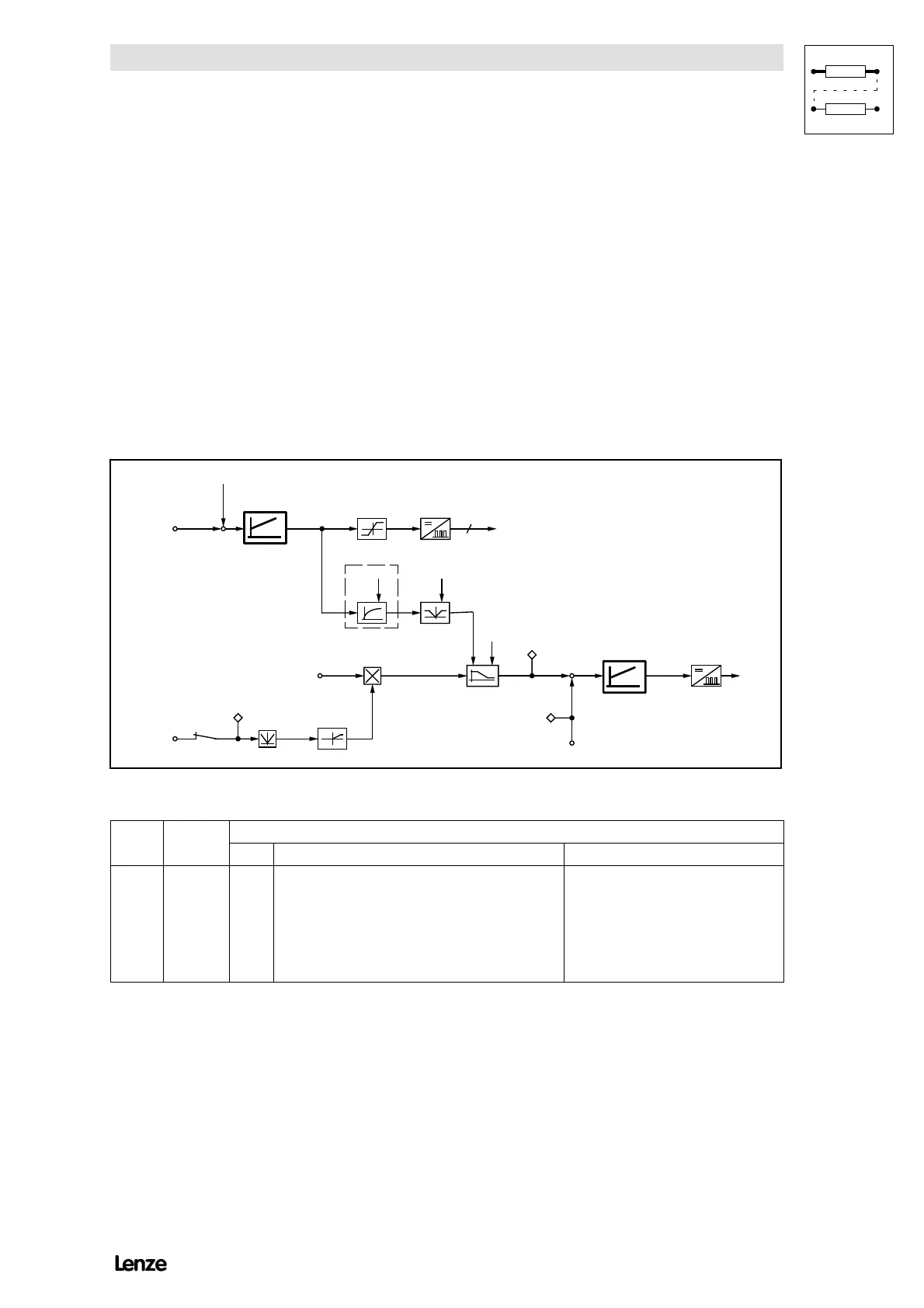
Adjustment of the field weakening operation:
1. Enter I
Fmin
under C231 (10...100% ref. to I
Frated
).
2. Selection of 100% n
set
at X1/8.
3. Increase n
max
under C011 until reaching the required speed.
There is a PT1 element with an adjustable time constant between armature current
controller and field current controller. With this PT1 element the two circuits can
be decoupled.
The time constant is set to 140 ms as standard. For standard applications the time
must not be adjusted.
If the field control circuit is unstable in field weakening operation, increase or
decrease the time constant of the PT1 element.
4900Str033
-
+
-
C 084 L/R
C 188
C 145/C 146
6
L1+...L3-
C 077 V
C 078 T
I
C 090C 079
F
PI_FC
NI_FC
C 083
1
C 231
C 187
I
set'
I
act'
I-controller
I
Fact
I -c o n tro lle r
Fr
Ignition pulse
I
Fset
Ignition pulse
alpha
C urrent detection
I
Fm in
I
Fset
FIG 7-6 Signal flow chart (section) for the field control circuit with Vdown limitation
Code Name
Possible settings
Lenze Selection Info
C079* PT1
element
Time
constant
for field
controller
attenuation
140
ms
30 ms {10 ms} 9000 ms The higher the time constant, the higher
the decoupling degree between aramture
and field control circuits.
In general, the time constant is to be increased if the field current oscillates. As a
result, the dynamic response of the system is reduced.
Show/Hide Bookmarks

Table of Contents

Related product manuals