EasyManua.ls Logo

Lenze 4800 - Page 109

Lenze 4800
342 pages
Print Icon
To Next Page IconTo Next Page
To Next Page IconTo Next Page
To Previous Page IconTo Previous Page
To Previous Page IconTo Previous Page
Loading...
Configuration
7-18
48XX/49XXSHB0399
( V
ab
control
The field weakening operation is derived from the control level of the V
down
controller. With this control, the maximum motor voltage is limited to static
V
Amax
=1.05V
Arated
(C090). The dynamic response is adjusted via the
parameters for the V
ab
controller and the field controller.
Adjustment of the field weakening operation:
1. Enter I
Fmin
under C231 (10...100% ref. to I
Frated
).
2. Selection of 100% n
set
at X1/8.
3. Increase n
max
under C011 until reaching the required speed.
4. Adjustment of the proportional gain of the V
ab
controller (C233)
5. Adjustment of the integral action time of the V
ab
controller (C234)
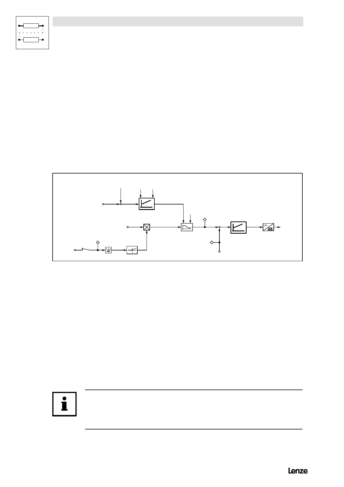
4900Str034
-
Ar
+
-
C 188
I
C 145/C 146
C 077 V
C 078 T
I
Fr
C 234C 233
F
PI_FC
NI_FC
C 083
I
I
C 231
I
C 187
C 090
ab
C 052
8
8
Aact
V -c o n tro lle r
Fact
I -c trl.
Ignition pulse
Fset'
Fm in
Fset
FIG 7-7 Signal-flow chart (section) for the field control circuit with V
ab
control
7.1.3.4 Adjustment of speed controller parameters
C070 V
pn
speed controller
Adapt the drive to different inertias under C070:
1. Increase C070 until the drive becomes instable.
2. Reduce C070 by approx 5 % until the drive becomes stable again.
C071 T
nn
speed controller
The integral action time of the speed controller is set to the lower level current
controller. It is not necessary to optimise it for easy speed controls.
Note!
With T
nn
= 9999ms, the speed controller operates as proportional controller. For
operation with higher-level control circuits with integral action component, the
speed controller should be parameterised as P controller.
Show/Hide Bookmarks

Table of Contents

Related product manuals