EasyManua.ls Logo

Lenze 4800 - Page 135

Lenze 4800
342 pages
Print Icon
To Next Page IconTo Next Page
To Next Page IconTo Next Page
To Previous Page IconTo Previous Page
To Previous Page IconTo Previous Page
Loading...
Configuration
7-44
48XX/49XXSHB0399
4900Str043
-
±1
C041
21 22
C105
cw /ccw
C 050
+
C 051
n
act
62
63
62
63
C 027 C 028C025/C026
Enc.
const.
D ig_In_1
X7
QSP
C 070 V
C 071 T
C 072 K
pn
nn
dn
C 056
C 063
C 022, C 023
C 042
QSP
X8
512
1024
2048
4096
8192
X5
C 005
C 032 C 033 ±5000 rpm
+
+
+
+
+
C 255
+
-
+
-
C 254
C 027 C 028C025/C026
Enc.
const.
512
1024
2048
4096
8192
D ig_In_2
X9
+
+
-
2
1
100 %
C047
C 025/C 026
C 025/C 027
C 145/C 146
C 282
C 046
n
set
C 198
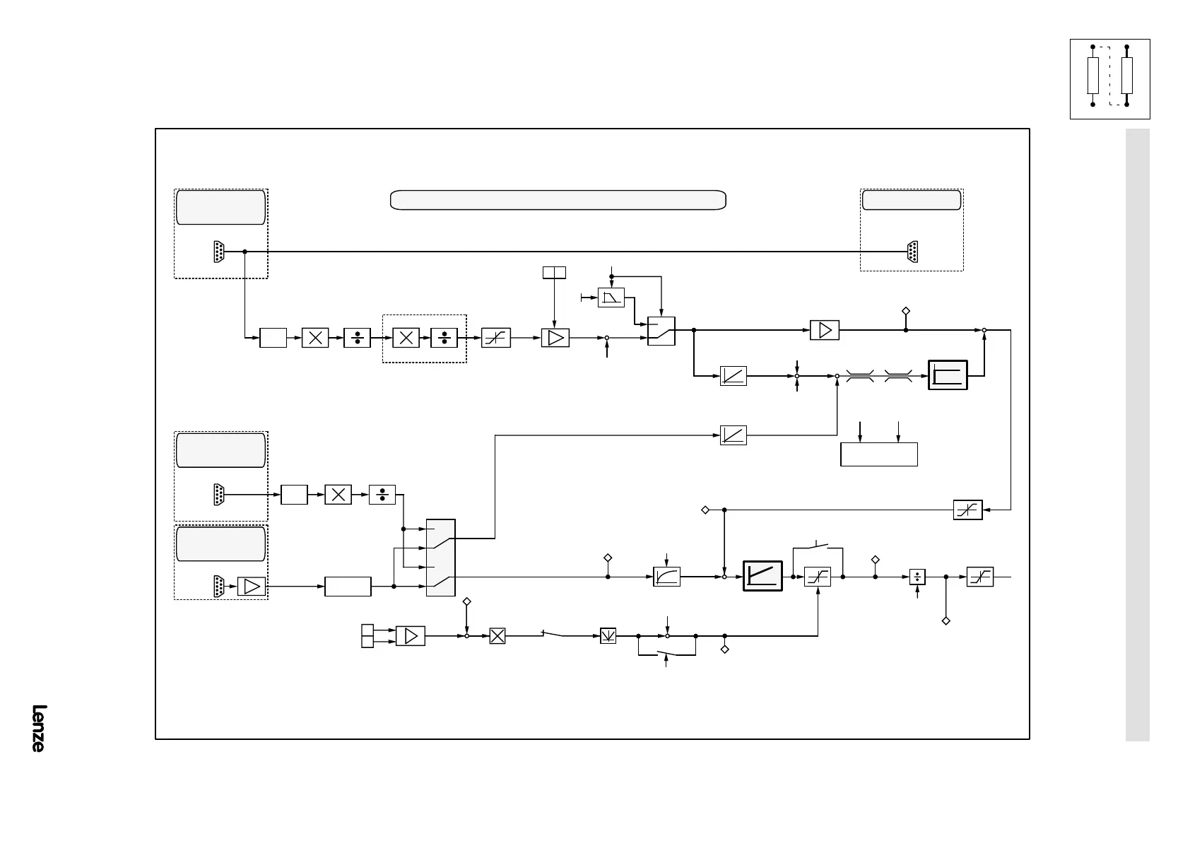
Slave for dig. frequency bar, configuration C 005 = -6x-
n
set
a t
n-controller in
% of n
max
n-controller
set
M in %
o f M
max
I
set
I
max
I
Fact
to n e x t
drive
D F output
Resolver
evaluation
Act. phase
integrator
Gearbox
Set phase
integrator
Speed
trim m in g
C 257
C 256
Phase trim m ing
Phase offset
C 252
Phase
controller
lim it
C ontouring
error
lim it
M onitoring
logic
Phase controller
Increm ental
encoder input
Resolver
input
D ig. frequency
input
1 8 0 % o f n
max
0 V = no lim iation
1 0 V = m a x . lim ita tio n
T o rq u e lim ita tio n
Num . Denom.
Encoder constant
FIG 7-16 Slave for digital frequency bar
Show/Hide Bookmarks

Table of Contents

Related product manuals