EasyManua.ls Logo

Lenze 4800 - Page 326

Lenze 4800
342 pages
Print Icon
To Next Page IconTo Next Page
To Next Page IconTo Next Page
To Previous Page IconTo Previous Page
To Previous Page IconTo Previous Page
Loading...
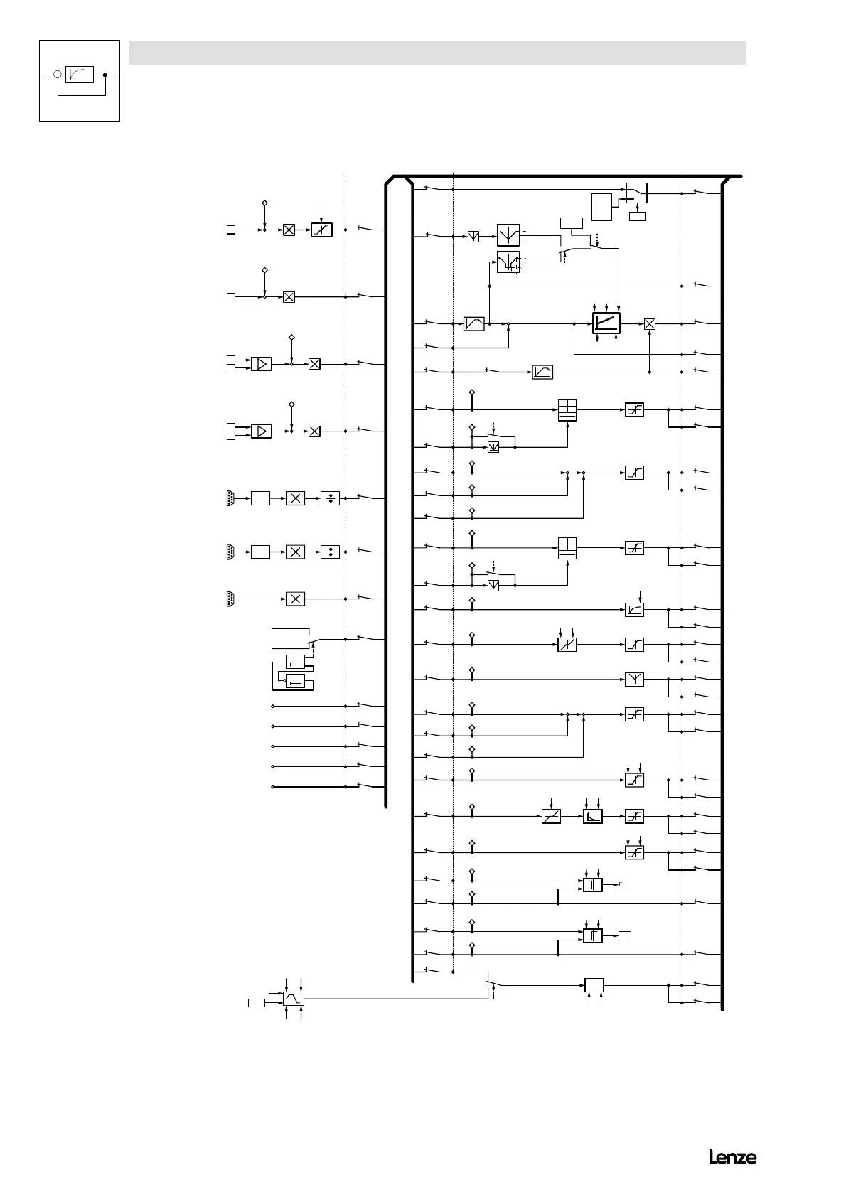
Signal-flow charts
16-4
48XX/49XXSHB0399
4900Str115a
+
3
4
6
-1 0 V ... + 1 0 V
+
8
-1 0 V ... + 1 0 V
+
C 145/C 005
C 025/C 026
O ffs e t
O ffs e t
C 145/C 005
C 025/C 027
C025/C027
C 027 C 028C 025/C 026
C 025/C 026
C 025/C 026
C 025/C 027
C 034
-180 V ... + 1 8 0 V
O ffs e t
C145/C005
+
2
1
C 025/C 026
C 025/C 027
-1 0 V ... + 1 0 V
O ffs e t
C145/C005
C145/C005
C 027 C 028C 025/C 026
C145/C005
C 025/C 027
C145/C005
Fix 1
Fix 2
Fix x
FDE
0
1
C 146/C 147
C 145/C 005
C 146/C 147
C 146/C 147
C 329
Vp
Vp
Vp (C222)
Vp2 (C 325)
Vp (C222)
Vp2 (C 325)
Vp3 (C 326)
C 222
1
0
C 145/C 005
C 223
n
C224
v
T
T
p
V
C 146/C 147
-
C 145/C 005
C 145/C 005
C 145/C 005
C 146/C 147
C 332 T
C 333 T
ir
if
C 334 T
C 335 T
ir
if
C145/C005
1
0
0
t
0
t
C 670
C 671
C 672
C145/C005
C 382 n
C 050 n
C145/C005
C145/C005
C145/C005
C145/C005
C191
±200 %
/-
·
+
C338
100% -C 339
C 339
C 146/C 147
C 146/C 147
C338
C 145/C 005
C 145/C 005
C600
±200 %
/-
·
+
C601
100% -C 602
C 602
C 146/C 147
C 146/C 147
C 601
C 145/C 005
C 145/C 005
±200 %
C 145/C 005
C 145/C 005
+
+
-
+
C 610
C 611
C 612
C 146/C 147
C 146/C 147
C 146/C 147
1
C 145/C 005
C 145/C 005
C640
C 641
C 146/C 147
C 145/C 005
C 145/C 005
C 622
C 146/C 147
±200 %
C 145/C 005
C 145/C 005
C 660
C 146/C 147
±200 %
C 145/C 005
C 145/C 005
+
+
-
+
C 614
C 615
C 616
C 146/C 147
C 146/C 147
C 146/C 147
C 145/C 005
C 145/C 005
C 632
C 146/C 147
C 630C 631
C 145/C 005
C 145/C 005
C 652
C 146/C 147
±200 %
C653 C650 C651
C 145/C 005
C 145/C 005
C 637
C 146/C 147
C 635C 636
C 145/C 005
C 145/C 005
C265C264
S&H
C 146/C 147
C267
C 263
T
if
C 265
FDI
C 262
T
ir
C264
C 261
C 260C 260
C621C621
1
0
1
0
FDO
C 146/C 147 C 145/C 005
C 581
C 580
C 146/C 147
FDO
C 146/C 147 C 145/C 005
C 591
C 590
C 146/C 147
Bipolar analog
Input
Bipolar analog
difference input
Bipolar analog
input
Adjustm ent
Sources (C 145) Targets (C 146)
set 2
C327
set 1
C328
RFG
Process controller
Fixed set-values
Rem ove
via F D E
A rith m e tic b lo c k 2
Sources (C 145)
Enable
C 145/C 146
S w itch-over for
external Vp preselection
Evaluation
-1 0 0 % ...+ 1 0 0 %
P rocess controller
n o t a c tiv e
I-com ponent
off
RFG
w h e n d iv is io n
opened
w h e n d iv is io n
opened
A rith m e tic b lo c k 3
A d d itio n b lo c k 1
PT1 - elem ent
D ead band elem ent
Bipolar analog
difference input
Prim ary frequency /increm ental encoder input
D ig_In_1 (X5)
Prim ary frequency /increm ental encoder input
D ig_In_2 (X9)
R esolver input (X 7)
Square-w ave
generator
R FG output
Deviation
fro m n - c o n tro lle r
n - controller
output
set
act
A c t. v a lu e g e n e ra to r
A d d itio n b lo c k 2
L im ita tio n 1
D T1 elem ent
L im ita tio n 2
Com parator 1
Storage
C583
Reset
C 584
Sam ple und Hold
function
Storage
C 593
Reset
C 594
Com parator 2
M otorpotentiom eter
function
Enc.
const.
Enc.
const.
Show/Hide Bookmarks

Table of Contents

Related product manuals