EasyManua.ls Logo

Lenze 4800 - Page 327

Lenze 4800
342 pages
Print Icon
To Next Page IconTo Next Page
To Next Page IconTo Next Page
To Previous Page IconTo Previous Page
To Previous Page IconTo Previous Page
Loading...
Signal-flow charts
16-5
48XX/49XXSHB0399
4900Str115b
-
+
-
100 %
C047
JOG 1
JOG 2
JOG x
0
1
±1
21 22
QSP
C 134QSP
C 012 T
C 013 T
ir
if
C 190
0
1
C 105
QSP
n
n
C 046
C 011
C146/C147
C 049
C 146/C 147
C 050
+
C 051
n
act
10
12
13
11
C005
C 025/C 027
AB
QSP
C 071 T
C 072 K
nn
dn
C 056
C 063
I
I
max
C 022, C 023
C310
C311
C312
C313
C314
C 042
C 146/C 147
C005
C005
C 182
±100 %
n
-
I
C 319
C146/C147
C324
Vp
Vp
Vp (C070)
Vp2 (C 320)
Vp (C070)
Vp2 (C 320)
Vp3 (C 321)
n1
C323
n0
C322
C 070
n
set
C050
+100 %
C282
C 146/C 147
C148
+
+
+
+
C146/C147 C149
C285
-
+
-
C 188
I
C 146/C 147
C 077 V
C 078 T
I
Frated
C 234C 233
F
PI_FR
NI_FR
C 083
I
I
C 231
I
C 187
C090
ab
C 052
-
+
I
6
L1+...L3-
C 090C 079
1
C 230
C 392
0...100 %
63
±10 V /±20 m A
+
M onitor 2
C110/C108
O ffs e t
C 110/C 109
62
±10 V /±20 m A
+
M onitor 1
C 110/C 108
O ffs e t
C 110/C 109
X8
TRIP
C 054
I
C 067
I · t
/-
·
+
C46
100% - C 49
C 017
A1
n
act
< n
x
n
act
A2
max
C 241
A3
C 019
A4
n
act
= 0
n
act
C 240
A5
n
act
= n
set
n
act
C 050
C 051
C 051
1
0
0
1
C146/C147
I
F
C110/C108
C 235
C 199
C 242
n
act
C 051
n
act
> n
x
C 116/C 117
C 243
C 046
x
C 116/C 117
C 049
>1
C 244
I
A
C 054
I > I
A
x
C 116/C 117
C 245
I
F
I > I
F
x
C 116/C 117
> n
Trigger pulse
generation
FDE
CW
CCW
RFG stop
RFG zero
SPI
C 220, C 221
set1
max
FDE
FDE
set2
Targets (C 146)
Enable
C onfiguration C 005 = -10- to -13-
n
set
at n-controller
in % o f n
max
in % o f n
max
C 286 C 287
Signal sources
C 110/C 111
Signal sources
C 110/C 111
Prim ary frequency
output
Signal sources
C 005/C 110/C 111
n-controller
M in %
of M
set
max
C u rre n t lim ita tio n
depending on speed
FDO
FDO
C 46 or C 49
FDO
FDO
Z o ff
set
V
A rm a tu re v o lta g e
C 232
I · R - C om pensation
C 0 0 5 C o n fig u ra tio n
Tachom eter
Increm ental encoder
Resolver
FDE
C198
Enable
Act. value filter
act
Fact
100 % (O ff)
Adaption of
c o n tro lle r p a ra m e te rs
I - c o n tro lle r
C145/C146
S w itch-over for
external Vp preselection
Torque lim ition
Additional torque setpoint 1
Additional torque setpoint 2
L im it o f ra te o f ris e
act
I-controller
C 084 C W /C C W
alpha
C urrent detection
act
set
Trigger pulse generation
n -c o n tro lle r
output
= M
input
output
RFG
=R FG
Fact
I -c o n tro lle r
Fm in
Fset
Aact
V -c o n to lle r
Fset
B us system for (analog) signals
C 041
CW /CCW
C146/C147
Switch for
e x t. e x c ita tio n
characteristic
V
Arated
V
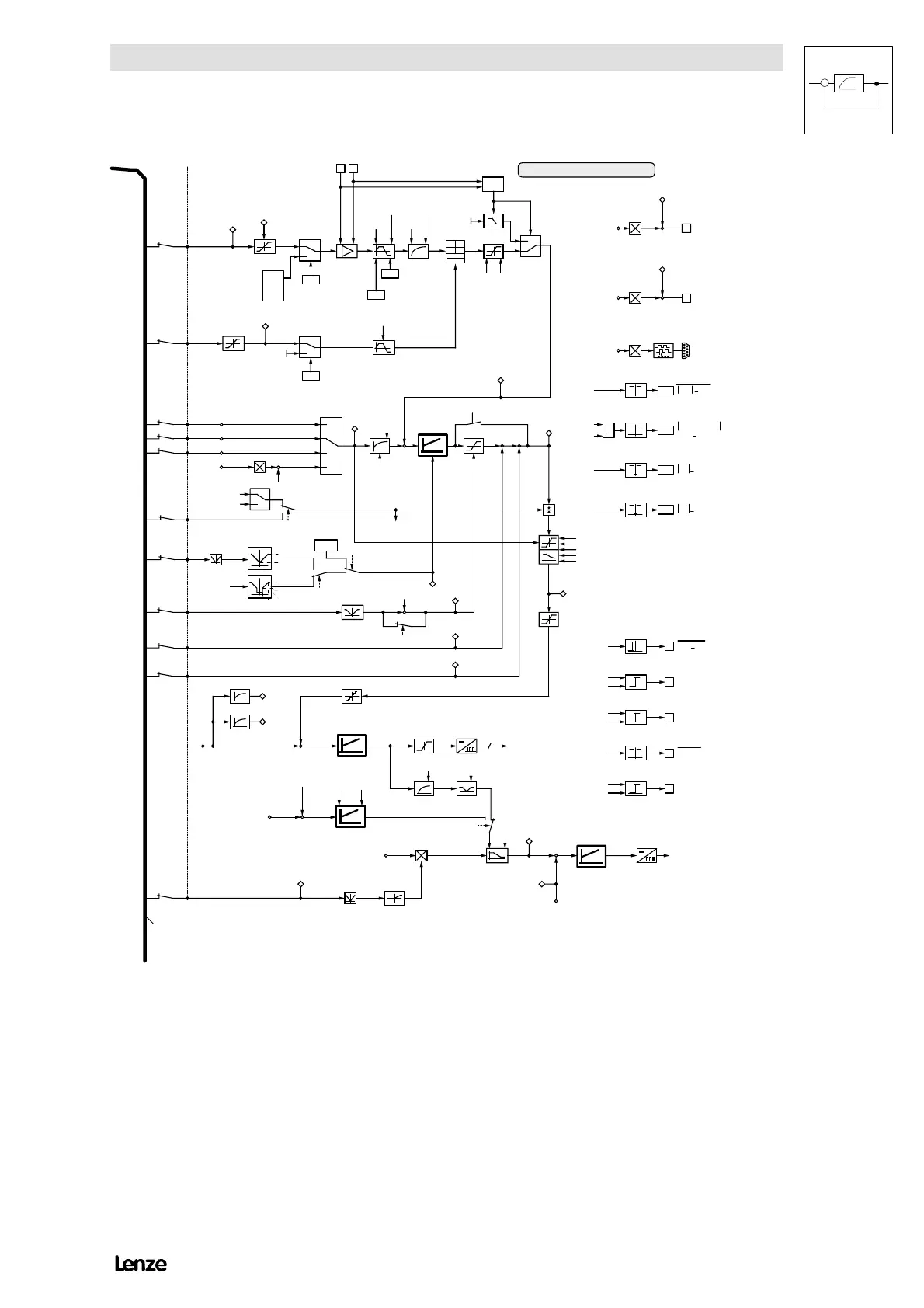
FIG 10-4 Signal-flow chart Configuration C005 = -1X- (speed control)
Show/Hide Bookmarks

Table of Contents

Related product manuals