EasyManua.ls Logo

Lenze ECS series - MCTRL_MotorControl (Node Number 131)

Lenze ECS series
483 pages
Print Icon
To Next Page IconTo Next Page
To Next Page IconTo Next Page
To Previous Page IconTo Previous Page
To Previous Page IconTo Previous Page
Loading...
System modules
MCTRL_MotorControl (node number 131)
13
351
EDBCSXA064 EN 3.2
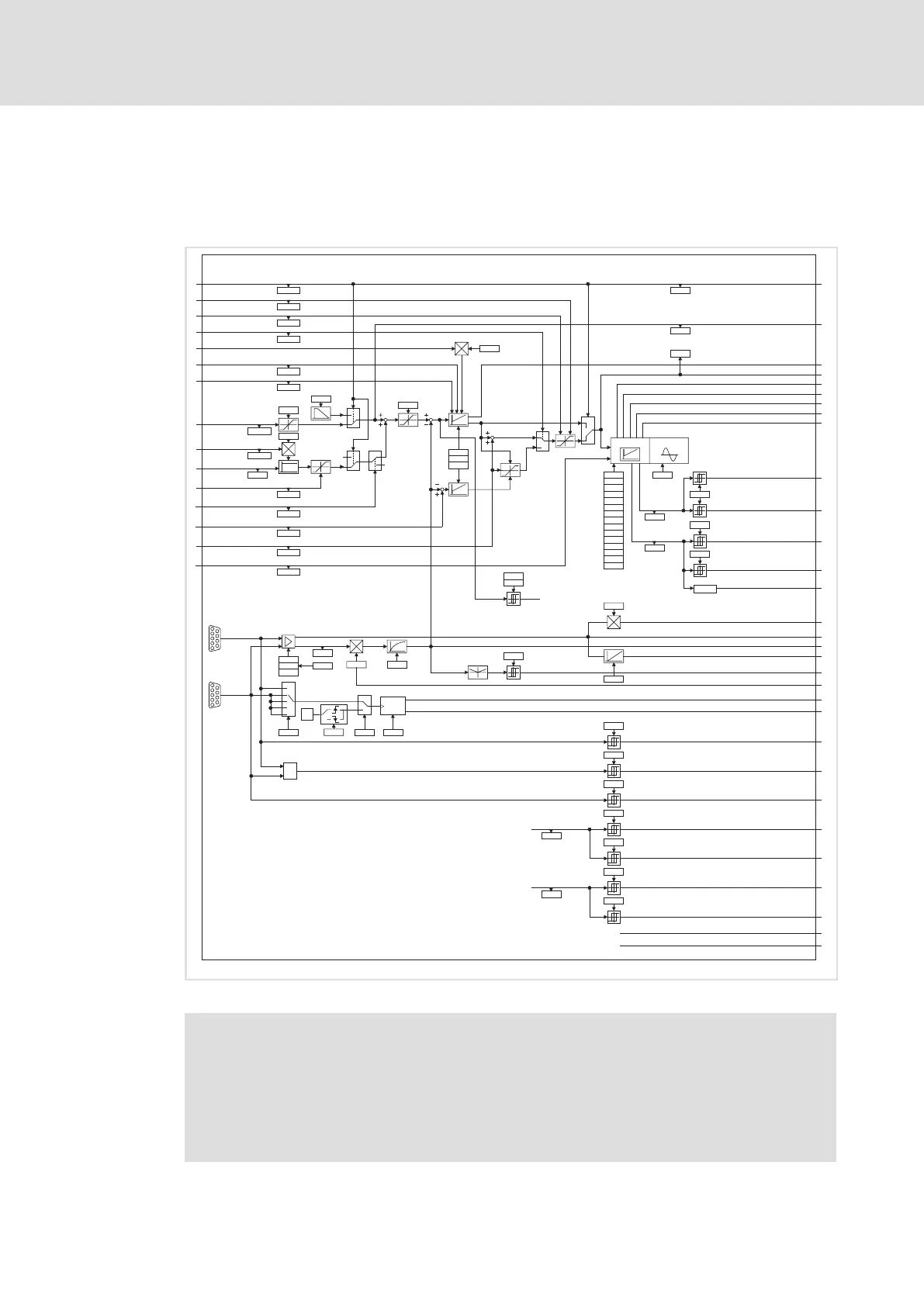
13.20 MCTRL_MotorControl (node number 131)
This SB contains the control of the driving machine. It consists of the phase controller,
speed controller, and the motor control.
C0907/3
C0042
C0105
100%
C0254
1
0
0
1
C0909
C0070
C0071
C0070
C0072
1
0
1
0
VECT_CTRL
PWM
C0050
C0056
C0006
C0091
C0090
C0089
C0088
C0087
C0085
C0084
C0081
C0078
C0077
C0076
C0075
C0022
C0018
UG-VOLTAGE
MONIT-LU
C0053
C0173
MONIT-OU
MONIT-OC1
const
Imotor
C0022
const
MONIT-OC2
>1,50I
NX
MONIT-OC5
const
X7
Resolver
X8
Encoder
C0420
C0495
C0490 C0419
C0051
C0011 C0497
C0607
MONIT-NMAX
const
MONIT-Sd2
OR
const
MONIT-Sd6
const
MONIT-Sd7/SD8
0
1
2
3
4
C0490
DI2
1
0
C0912 C0911
TP/MP
-Ctrl
C0910
C0906/4
C0906/3
C0907/2
C0907/4
C0906/8
C0906/5
C0907/1
C0906/6
C0906/2
C0906/7
C0906/1
C0906/9
C0908
+
-
MCTRL_MotorControl
0
1
C0579
C0576
MONIT nErr
150°C
MONIT-OH3
C0063
Mot temp (X7orX8)
C0121
MONIT-OH7
85°C
MONIT-OH
C0061
Heatsink temp
C0122
MONIT-OH4
1
0
0
C0111
C0098
X6
MCTRL_nHiMLim_a
MCTRL_bQspOut_b
MCTRL_nLoMLim_a
MCTRL_bNMSwt_b
MCTRL_nNAdapt_a
MCTRL_bILoad_b
MCTRL_nISet_a
MCTRL_nNSet_a
MCTRL_nPAdapt_a
MCTRL_dnPosSet_p
MCTRL_bQspIn_b
MCTRL_nNSetIn_a
MCTRL_bMMax_b
MCTRL_nMSetIn_a
MCTRL_bIMax_b
MCTRL_nIAct_a
MCTRL_nDCVolt_a
MCTRL_nMAct_a
MCTRL_nPosLim_a
MCTRL_bPosOn_b
MCTRL_nNStartmLim_a
MCTRL_nMAdd_a
MCTRL_nFldWeak_a
MCTRL_bUnderVoltage_b
MCTRL_bOverVoltage_b
MCTRL_bShortCircuit_b
MCTRL_bEarthFault_b
MCTRL_bIxtOverload_b
MCTRL_nPos_a
MCTRL_nNAct_a
MCTRL_dnPos_p
MCTRL_bNmaxFault_b
MCTRL_nNmaxC11
MCTRL_nNAct_v
MCTRL_bResolverFault_b
MCTRL_bEncoderFault_b
MCTRL_bSensorFault_b
MCTRL_bActTPReceived_b
MCTRL_dnActIncLastScan_p
MCTRL_wMmaxC57
MCTRL_bMotorTempGreaterSetValue_b
MCTRL_bMotorTempGreaterC0121_b
MCTRL_bKuehlGreaterSetValue_b
MCTRL_bKuehlGreaterC0122_b
MCTRL_bRotorPositionFault_b
MONIT-PL
MCTRL_bMotorphaseFail_b
MONIT-LP1
ECSXA290
Fig. 13−29 System block "MCTRL_MotorControl"
Note!
The process image is established in the course of a fixed system task (interval:
1 ms).
Exception: MCTRL_bActTPReceived_b, MCTRL_dnActIncLastScan_p and
MCTRL_nNAct_v respectively are read in the process input image of the task in
which they are used.

Table of Contents

Other manuals for Lenze ECS series

Related product manuals