EasyManua.ls Logo

Lenze Smart Motor m300 MSEMA Series - Electrical Connection

Lenze Smart Motor m300 MSEMA Series
116 pages
To Next Page IconTo Next Page
To Next Page IconTo Next Page
To Previous Page IconTo Previous Page
To Previous Page IconTo Previous Page
Loading...
Installation
Elektrischer Anschluss
Einzelantrieb
4
DE
15
Lenze ¯ MDKSEMA ¯ 5.0
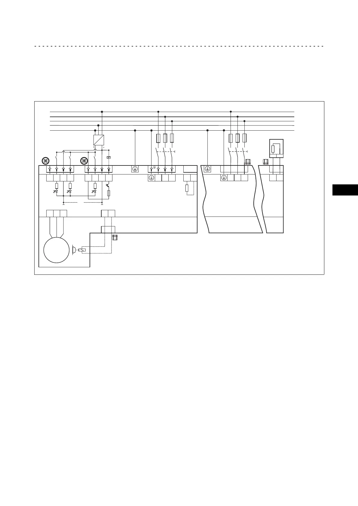
4.3 Elektrischer Anschluss
4.3.1 Einzelantrieb
Anschlussplan
L1
3/N/PE AC 400/480 V
L1
L2
L3
N
PE
F1…F3
L2
L3
SELV/PELV
DC 24 V
(+19.2 …+28.8 V)
5.6k
5.6k
R
b
M
3~
Rb1
Rb2
V
U
W
X3
X4
1 2 3
BD1
BD2
X2
1 2 3
4
X1
1 2 3
4
X5
max. 50 mA
X6
GND
-I
DI1DI2
n. c.
5.6k
GND
-O
DO1
DI3
24V
Rb1
Rb2
X4
R
b
Rb1 Rb2
L1
F1…F3
L2
L3
X3
390
QUICKON
1
2
3
4
1
2
3
4
DC
AC
Q
Q
400
MSEMA_002
GND ist gebrückt, wenn auf dem Typenschild die Ausführung "DI/DO−GND bridged"
angegeben ist.

Table of Contents

Related product manuals